GM Service Manual Online
For 1990-2009 cars only
Makes
🢒
Chevrolet
🢒
2005
🢒
Uplander Ext.
🢒 Headlights
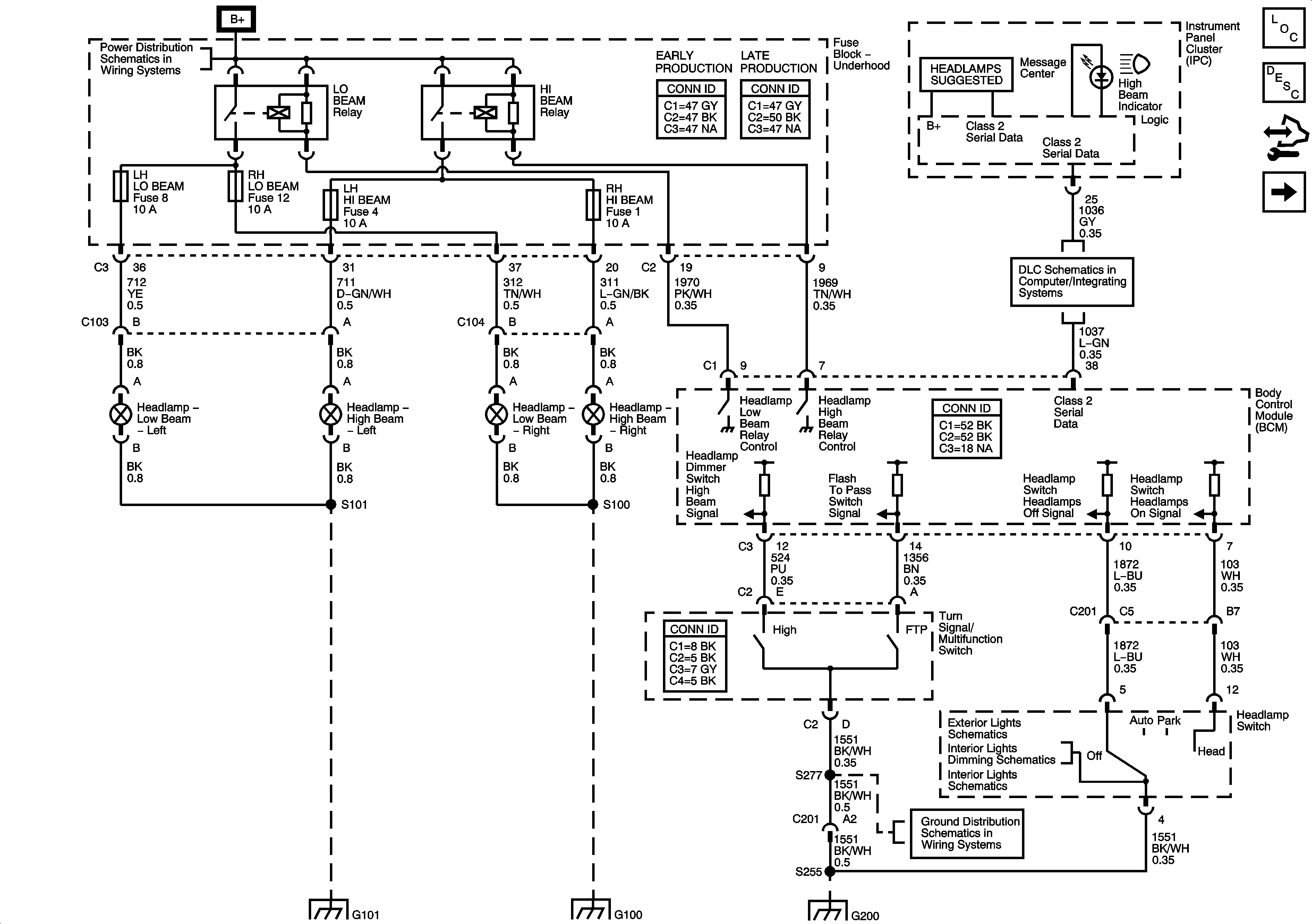
Headlights
Headlights
Master Electrical Component List
Exterior Lighting Systems Description and Operation
Control Module References
Daytime Running Lights
FRT/BLWR, HTD/MIR, LH HI BEAM, LH LOW BEAM, RH LOW BEAM, RH HI BEAM, RR BLWR/110VAC, and RR DEFOG Fuses
DLC Schematics
G100 and G101
G100 and G101
G200 2 of 2
Park, Marker, and License Lamps
Control, I/P and Passenger Door Lamps
Switches