GM Service Manual Online
For 1990-2009 cars only
Makes
🢒
Chevrolet
🢒
2006
🢒
Uplander Ext.
🢒 Front
Front
Front
Master Electrical Component List
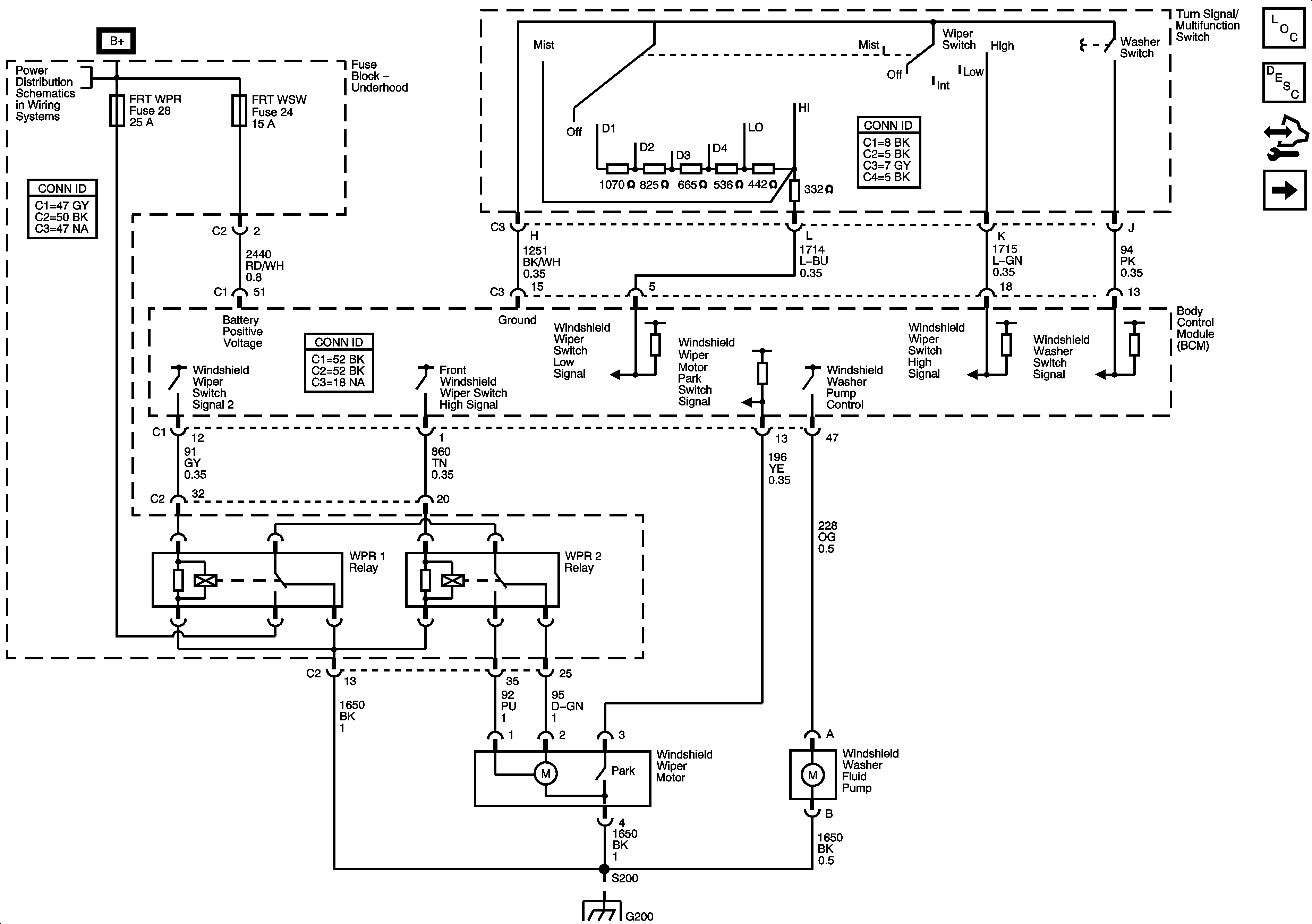
Wiper/Washer System Description and Operation
Control Module References
Rear
B+ Bus
G200 - 1 of 2