GM Service Manual Online
For 1990-2009 cars only
Makes
🢒
Chevrolet
🢒
2000
🢒
Venture
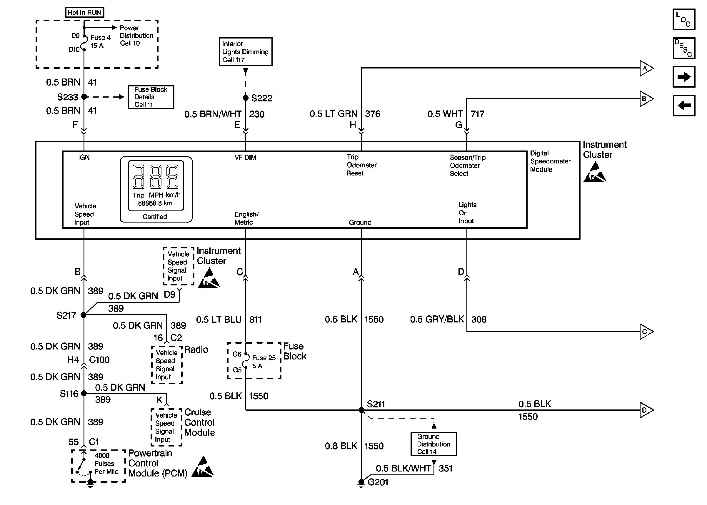
🢒 Cell 81: Instrument Cluster w/ Digital Speedometer (Continued)
Cell 81: Instrument Cluster w/ Digital Speedometer (Continued)
Cell 81: Instrument Cluster w/ Digital Speedometer (Continued)
Instrument Cluster Components
Instrument Cluster Circuit Description
Cell 81: Instrument Cluster w/Digital Speedometer (Continued)
Cell 81: Instrument Cluster w/Analog Speedometer (Continued)
OBD II Symbol Description Notice
Handling ESD Sensitive Parts Notice
Handling ESD Sensitive Parts Notice
Handling ESD Sensitive Parts Notice
Fuse Block Schematics
Ground Distribution Schematics
Power Distribution Schematics
Interior Lights Schematics