GM Service Manual Online
For 1990-2009 cars only
Makes
🢒
Chevrolet
🢒
2000
🢒
Venture
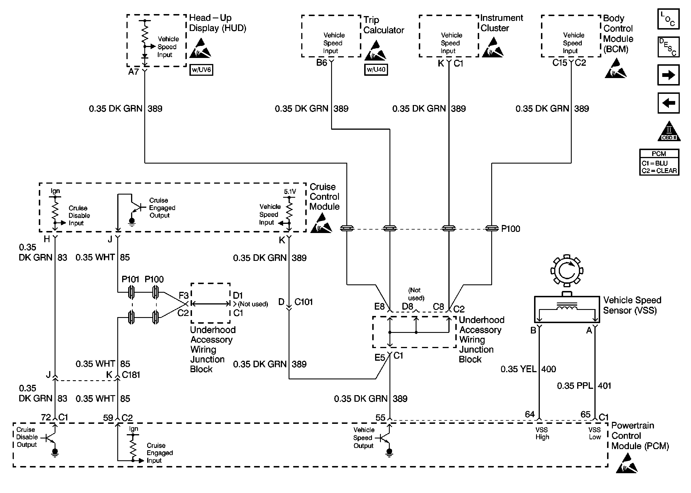
🢒 Cell 20: Engine Data Sensors-VSS, Cruise
Cell 20: Engine Data Sensors-VSS, Cruise
Cell 20: Engine Data Sensos-VSS, Cruise
Handling Electrostatic Discharge Sensitive Parts Notice
Handling Electrostatic Discharge Sensitive Parts Notice
Handling Electrostatic Discharge Sensitive Parts Notice
Handling Electrostatic Discharge Sensitive Parts Notice
Handling Electrostatic Discharge Sensitive Parts Notice
Handling Electrostatic Discharge Sensitive Parts Notice
OBDII Symbol Description Notice
Cell 20: Engine Data Sensors-HO2S 1, Ho2S 2
Cell 20: Engine Data Sensors-MAF, EVAP Vent, EVAP Purge, EGR