GM Service Manual Online
For 1990-2009 cars only
Makes
🢒
Chevrolet
🢒
2000
🢒
Venture
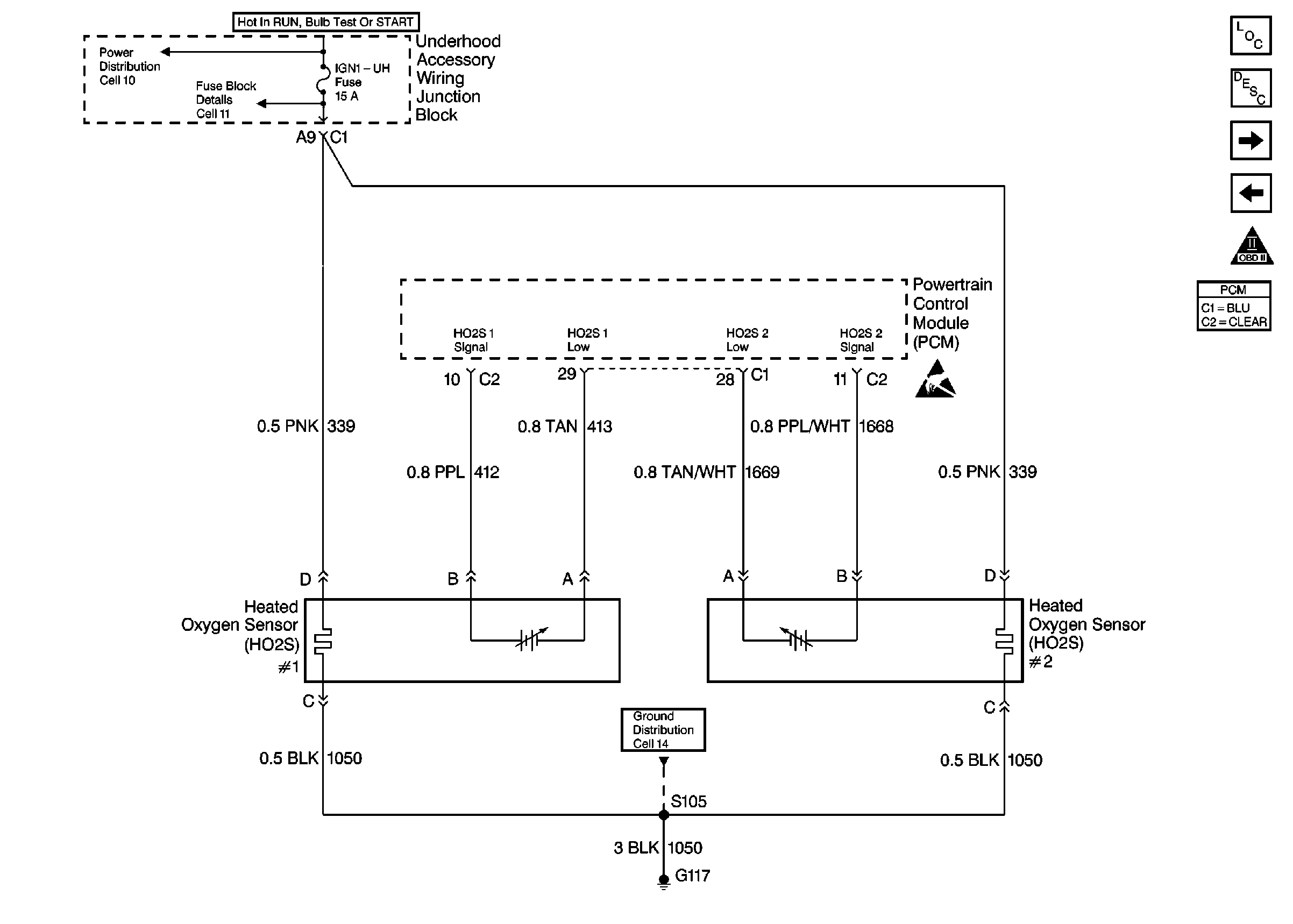
🢒 Cell 20: Engine Data Sensors-HO2S 1, Ho2S 2
Cell 20: Engine Data Sensors-HO2S 1, Ho2S 2
Cell 20: Engine Data Sensors-HO2S 1, Ho2S 2
Cell 10: Underhood Accessory Wiring Junction Block
Cell 11: IGN1-UH Fuse
Cell 14: Engine Ground G117
Handling Electrostatic Discharge Sensitive Parts Notice
Cell 20: Engine Data Sensors-VSS, Cruise
Cell 20: Engine Data Sensors-A/C Refrig Press, TP, MAP, ECT, IAT
OBDII Symbol Description Notice