GM Service Manual Online
For 1990-2009 cars only
Makes
🢒
Chevrolet
🢒
2000
🢒
Venture
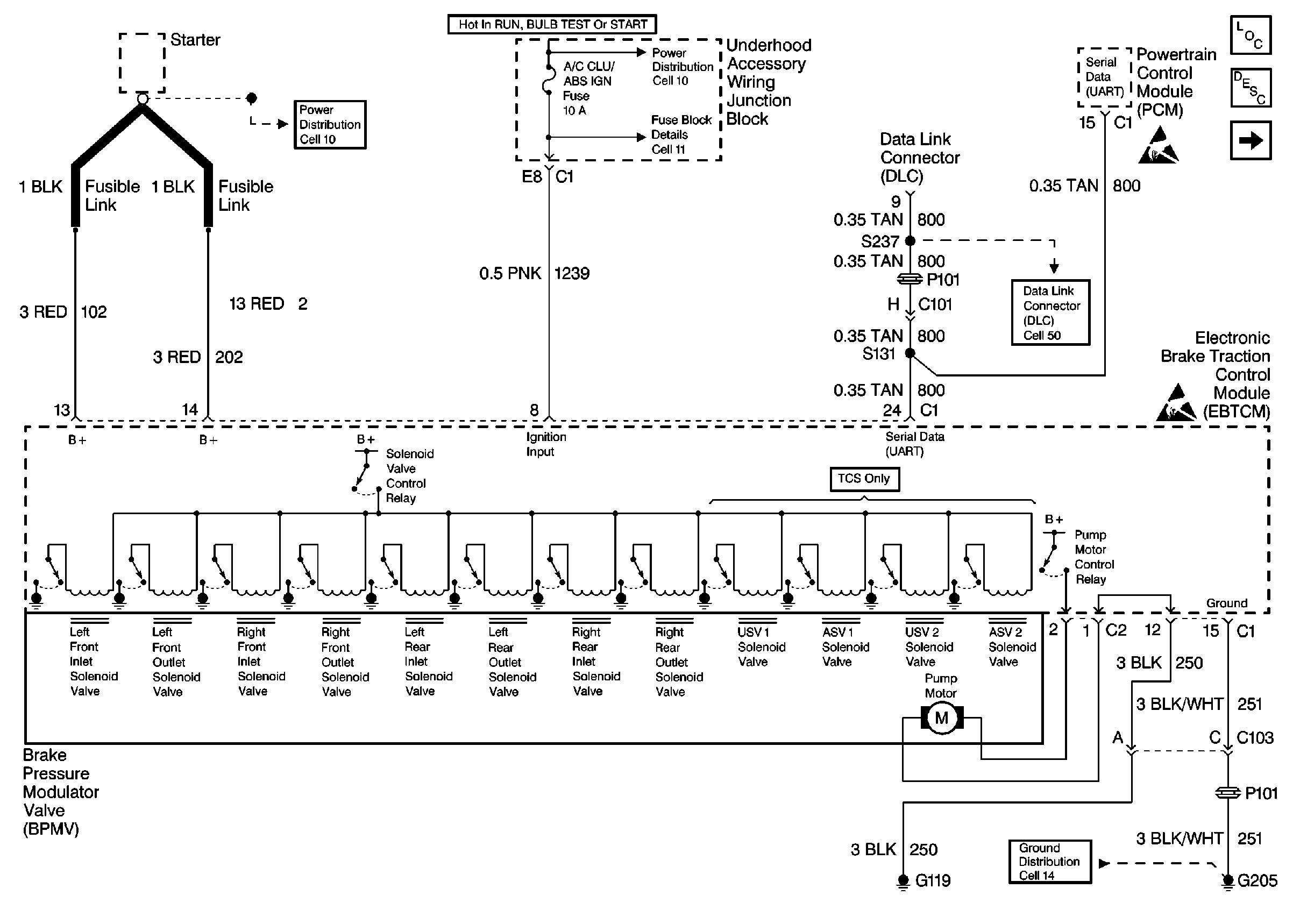
🢒 Cell 44: Power, Ground, Serial Data and EBTCM
Cell 44: Power, Ground, Serial Data and EBTCM
Cell 44: Power, Ground, Serial Data and EBTCM
Cell 10
Cell 10: Underhood Accessory Wiring Junction Block
ABS Components
ABS Description
Cell 44: Instrument Cluster Indicators, MSVA and Stop Lamp Switch
Handling ESD Sensitive Parts Notice
Cell 14: LH I/P Ground G205
Cell 11: TCC, ELEK IGN and A/C CLU/ABS IGN Fuses
Cell 50
Handling ESD Sensitive Parts Notice