GM Service Manual Online
For 1990-2009 cars only
Makes
🢒
Chevrolet
🢒
2000
🢒
Venture
🢒 Door Lock Actuators
Door Lock Actuators
Door Lock Actuators
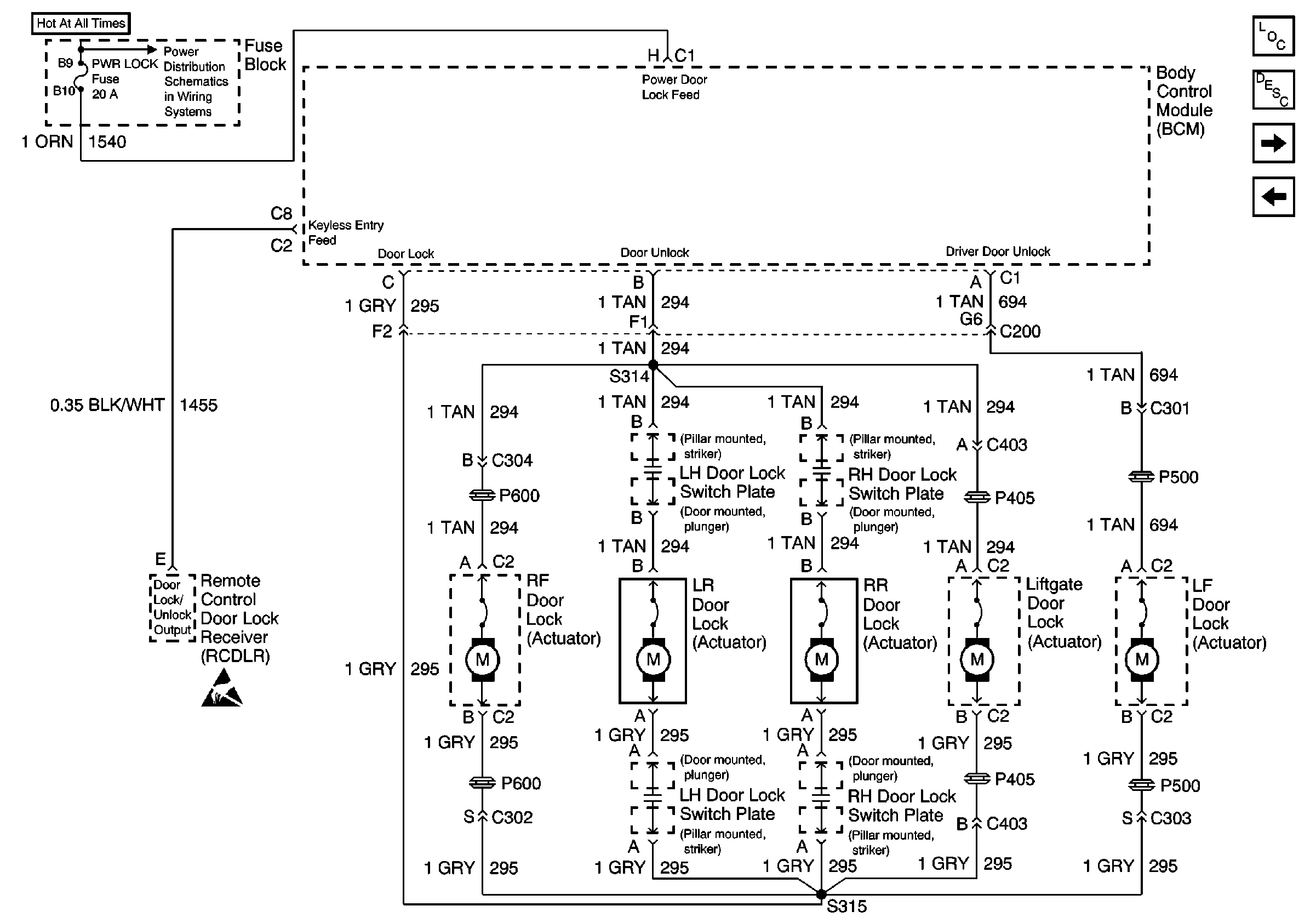
Power Door Systems Components
Power Door Locks Circuit Description
IP DOOR AJAR Telltale
Key Cylinder Switches
Handling ESD Sensitive Parts Notice
Cluster BATT, RR PWR SCKT, PWR Lock, Rap Relay, CTSY Lamp, FRT PWR SCKT, Cigar/DLC and PWR Mirror Fuses