GM Service Manual Online
For 1990-2009 cars only
Makes
🢒
Chevrolet
🢒
2000
🢒
Venture
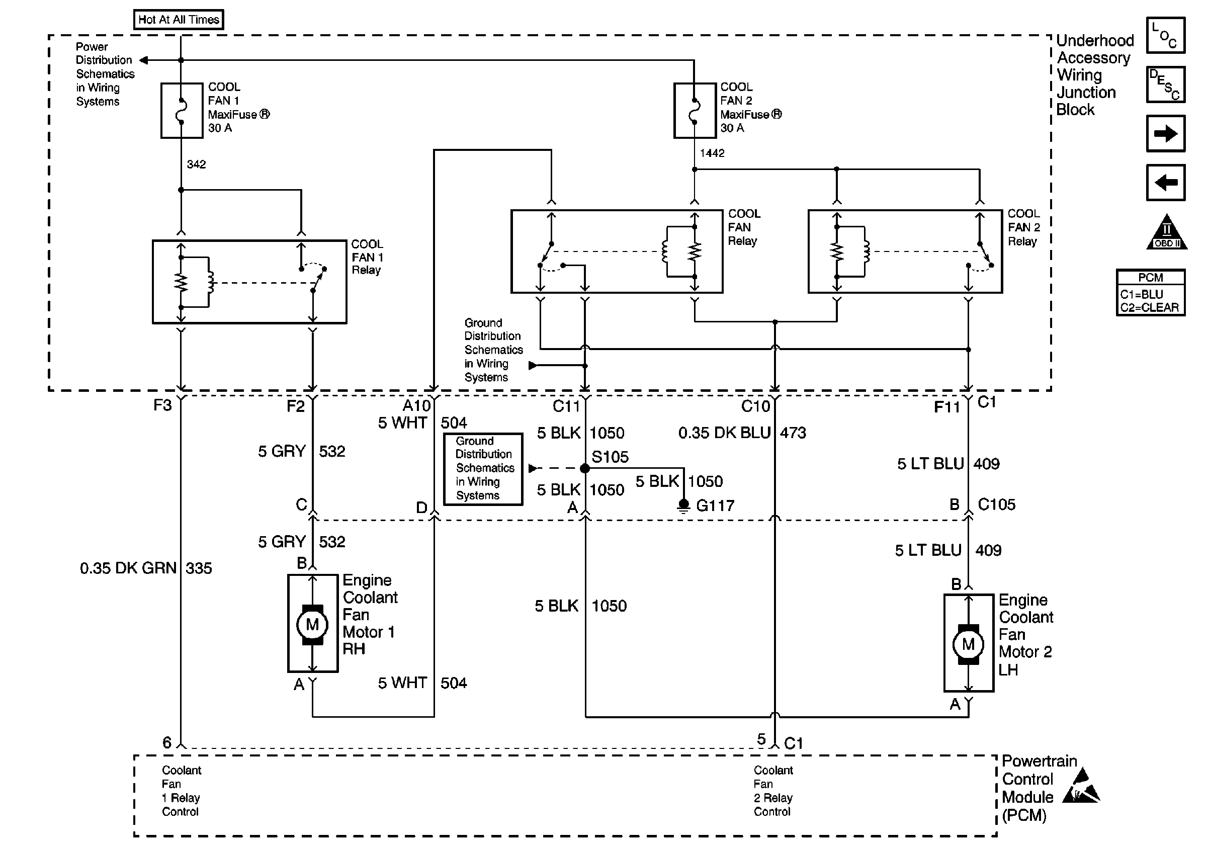
🢒 Coolant Fans
Coolant Fans
Coolant Fans
Underhood Accessory Wiring Junction Block
Cell 14: G117
Cell 14: G117
Handling ESD Sensitive Parts Notice
Engine Controls Components
Powertrain Control Module Description
Vehicle Speed Sensor
A/C Compressor Controls
OBD II Symbol Description Notice
Powertrain Control Module Connector End Views