GM Service Manual Online
For 1990-2009 cars only
Makes
🢒
Chevrolet
🢒
2000
🢒
Venture
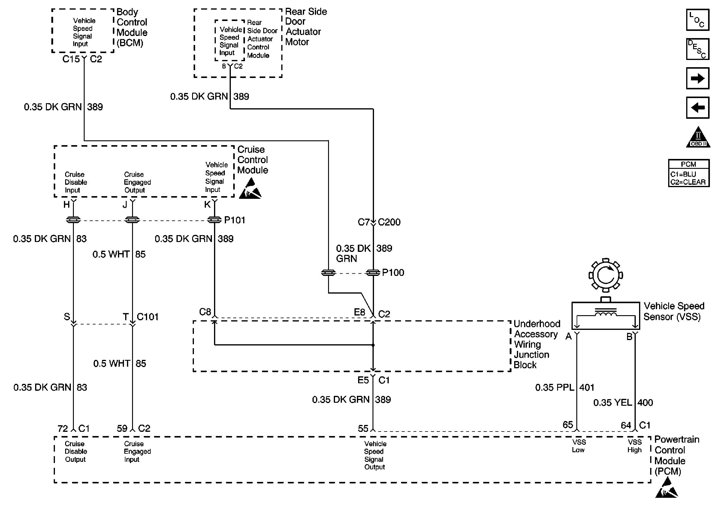
🢒 Vehicle Speed Sensor
Vehicle Speed Sensor
VSS
Handling ESD Sensitive Parts Notice
Engine Controls Components
Powertrain Control Module Description
Automatic Transaxle, (1 of 2)
Coolant Fans
OBD II Symbol Description Notice
Powertrain Control Module Connector End Views
Handling ESD Sensitive Parts Notice