GM Service Manual Online
For 1990-2009 cars only
Makes
🢒
Chevrolet
🢒
2000
🢒
Venture
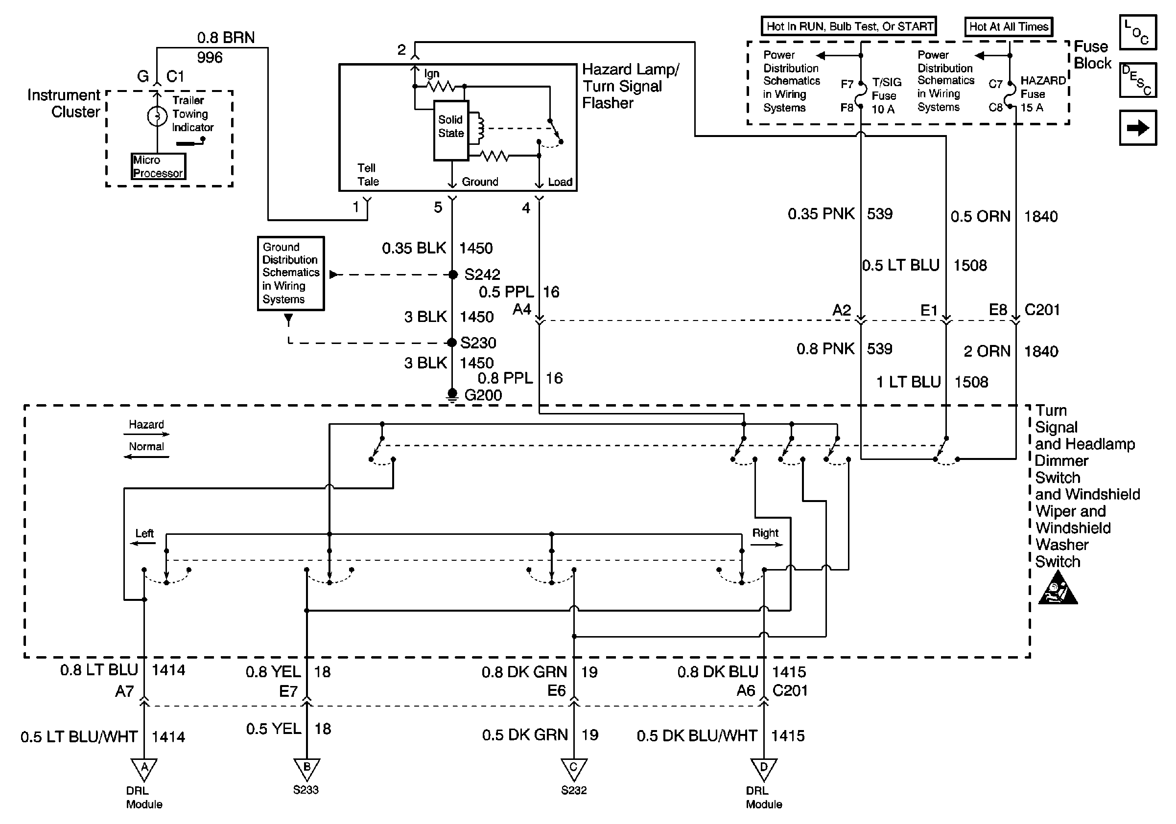
🢒 Cell 110: Hazard Lamp/Turn Signal Flasher, Turn Signal Switch-Export
Cell 110: Hazard Lamp/Turn Signal Flasher, Turn Signal Switch-Export
Cell 110: Hazard Lamp/Turn Signal Flasher, Turn Signal Switch-Export
Cell 14: G200
Export Turn and Side Marker Lamps
Export Turn and Side Marker Lamps
Export Turn and Side Marker Lamps
Export Turn and Side Marker Lamps
IGN, SIR, T/S/G, Cruise, and PCM/Pass Key 1 Cluster Fuses
Stop Lamp, Hazard, and Pass Key Fuses, FRT HVAC MI BLWR and Headlamp Circuit Breakers
SIR Handling Caution
Lighting Systems Components
Exterior Lights Circuit Description
Export Turn and Side Marker Lamps