GM Service Manual Online
For 1990-2009 cars only
Makes
🢒
Chevrolet
🢒
2000
🢒
Venture
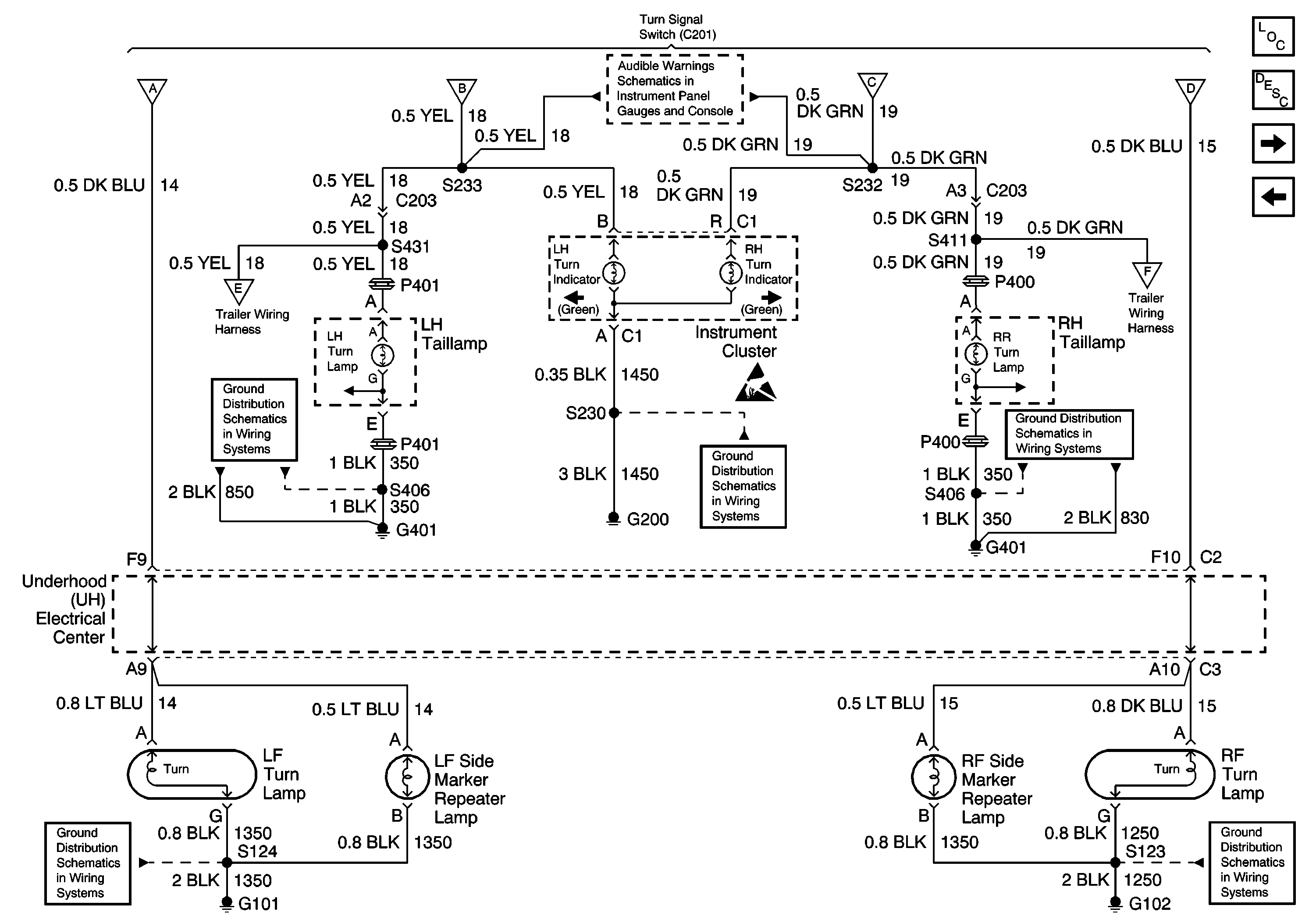
🢒 Export Turn and Side Marker Lamps
Export Turn and Side Marker Lamps
Export Turn and Side Marker Lamps
Cell 110: Hazard Lamp/Turn Signal Flasher, Turn Signal Switch-Export
Export Trailer Wiring Harness
Cell 14: G401 and G402
Cell 14: G101 and G102
Cell 110: Hazard Lamp/Turn Signal Flasher, Turn Signal Switch-Export
Hardwire Indicators
Cell 110: Hazard Lamp/Turn Signal Flasher, Turn Signal Switch-Export
Handling ESD Sensitive Parts Notice
Cell 14: G200
Cell 110: Hazard Lamp/Turn Signal Flasher, Turn Signal Switch-Export
Export Trailer Wiring Harness
Cell 14: G401 and G402
Cell 14: G101 and G102
Lighting Systems Components
Exterior Lights Circuit Description
Export Headlamp Position Lamps/License Lamps
Cell 110: Hazard Lamp/Turn Signal Flasher, Turn Signal Switch-Export