GM Service Manual Online
For 1990-2009 cars only
Makes
🢒
Chevrolet
🢒
2000
🢒
Venture
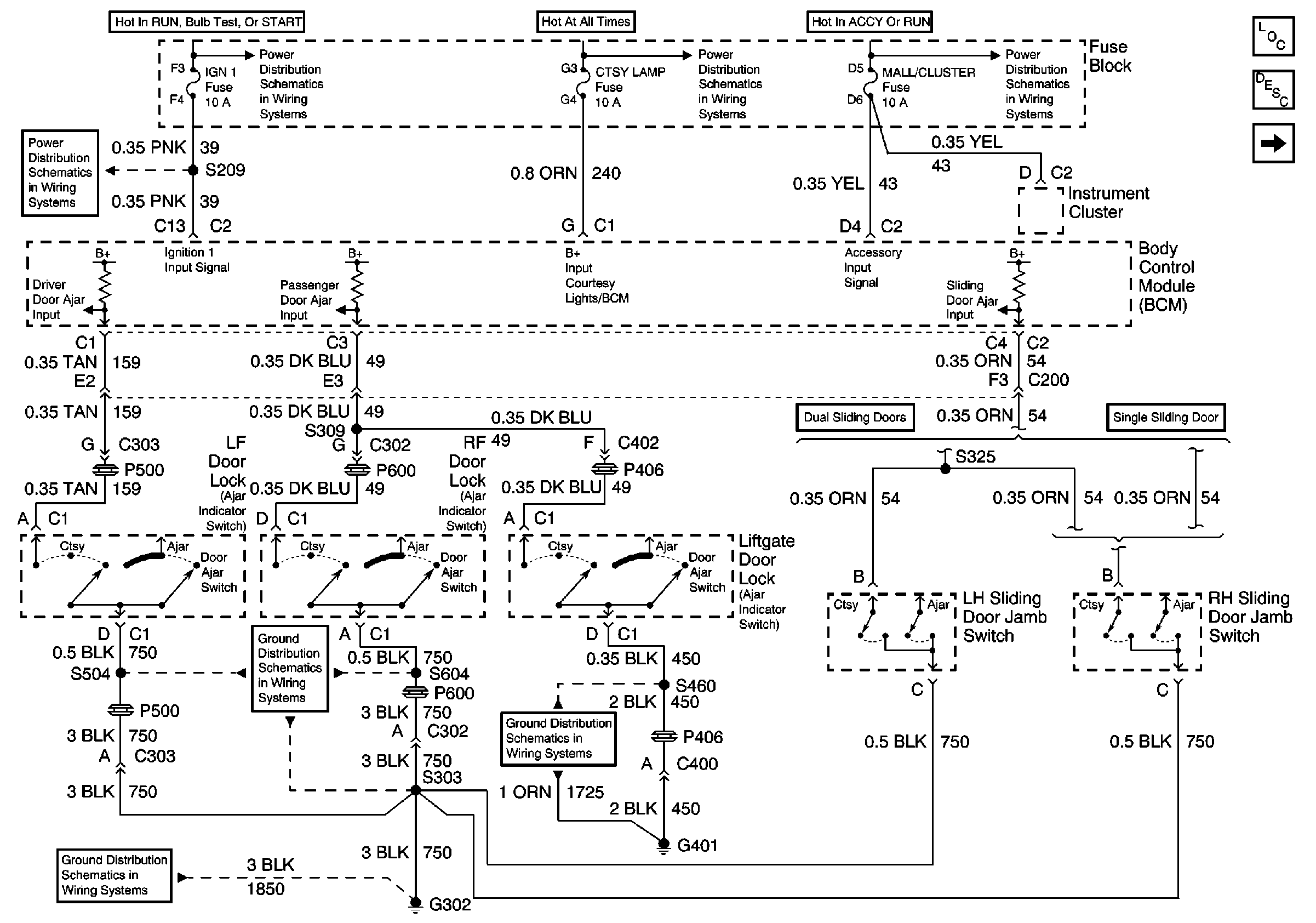
🢒 Interior Lights Schematics (Cell 114: Door Locks, Sliding Door Jamb SwiTches, Liftgate Door Lock)
Interior Lights Schematics (Cell 114: Door Locks, Sliding Door Jamb SwiTches, Liftgate Door Lock)
Interior Lights Schematics (Cell 114: Door Locks, Sliding Door Jamb Switches, Liftgate Door Lock)
Lighting Systems Components
Interior Lights Circuit Description
Interior Lights Schematics (Cell 114: Interior Lamp and Multifunction Switch, Sunshade Lighted Vanity Mirror)
Ignition Switch, IGN Main 2, BCM PRORM, RR WPR/WSHR, MALL/Cluster and FRT/WPR/WSHR Fuses
Cluster BATT, RR PWR SCKT, PWR Lock, Rap Relay, CTSY Lamp, FRT PWR SCKT, Cigar/DLC and PWR Mirror Fuses
Ignition Switch IGN Main Relay, IGN Main 1, PCM/ABS, CONVENT SOL, DRL, and PCM/Crank Fuses
Ignition Switch IGN Main Relay, IGN Main 1, PCM/ABS, CONVENT SOL, DRL, and PCM/Crank Fuses
Cell 14: G302
Cell 14: G302
Cell 14: G401