GM Service Manual Online
For 1990-2009 cars only
Makes
🢒
Chevrolet
🢒
2000
🢒
Venture
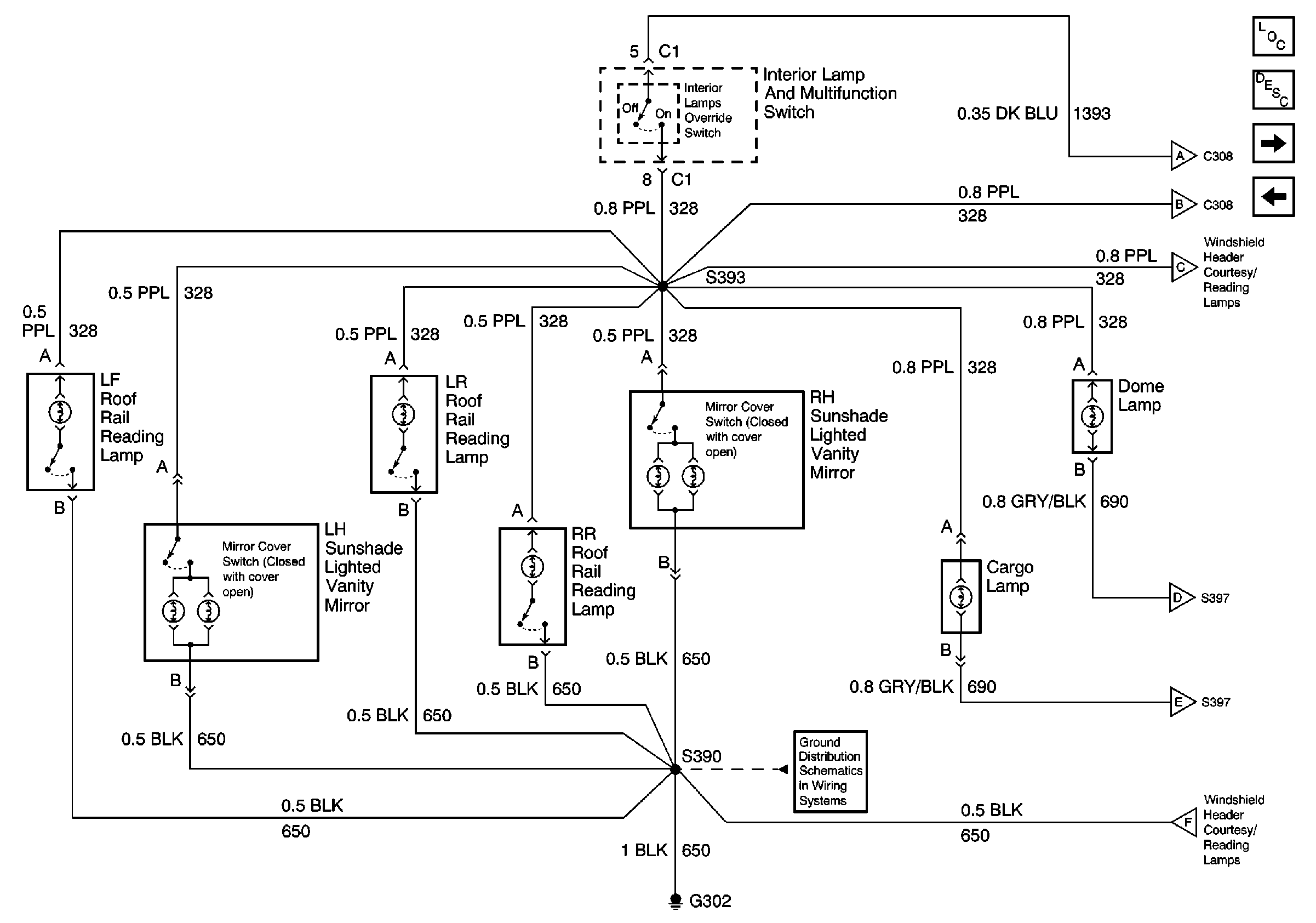
🢒 Interior Lights Schematics (Cell 114: Interior Lamp and Multifunction Switch, Sunshade Lighted Vanity Mirror)
Interior Lights Schematics (Cell 114: Interior Lamp and Multifunction Switch, Sunshade Lighted Vanity Mirror)
Interior Lights Schematics (Cell 114: Interior Lamp and Multifunction Switch, Sunshade Lighted Vanity Mirror)
Lighting Systems Components
Interior Lights Circuit Description
Interior Lights Schematics (Cell 114: Underhood Lamp, Windshield Header/Courtesy Reading Lamps)
Interior Lights Schematics (Cell 114: Door Locks, Sliding Door Jamb SwiTches, Liftgate Door Lock)
Interior Lights Schematics (Cell 114: Underhood Lamp, Windshield Header/Courtesy Reading Lamps)
Interior Lights Schematics (Cell 114: Underhood Lamp, Windshield Header/Courtesy Reading Lamps)
Interior Lights Schematics (Cell 114: Underhood Lamp, Windshield Header/Courtesy Reading Lamps)
Cell 14: G302