GM Service Manual Online
For 1990-2009 cars only
Makes
🢒
Chevrolet
🢒
2000
🢒
Venture
🢒 Interior Lights Dimming Schematics (Cell 117: Heater-A/C Control Switches and Instrument Cluster)
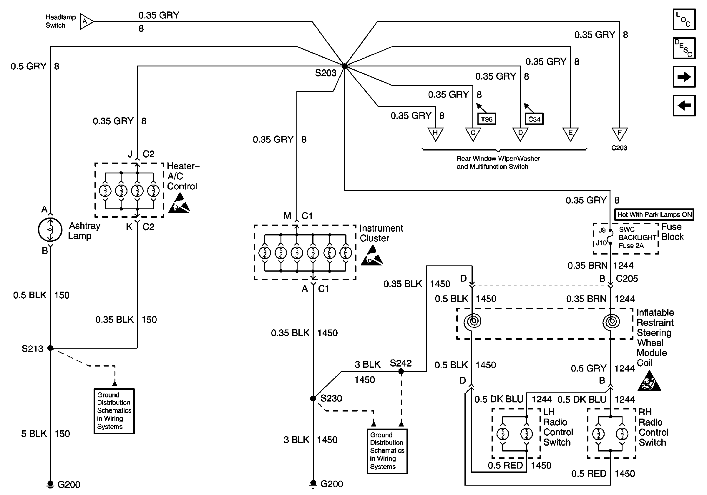
Interior Lights Dimming Schematics (Cell 117: Heater-A/C Control Switches and Instrument Cluster)
Interior Lights Dimming Schematics (Cell 117: Heater-A/C Control Switches and Instrument Cluster)
Lighting Systems Components
Interior Lights Dimming Circuit Description
Interior Lights Dimming Schematics (Cell 117: Rear Window Wiper/Washer and Multifunction Switch, Window Switches, Door Lock Switches)
Interior Lights Dimming Schematics (Cell 117: Headlamp and IP Lamp Dimmer Switch, Driver Information Display)
Interior Lights Dimming Schematics (Cell 117: Rear Window Wiper/Washer and Multifunction Switch, Window Switches, Door Lock Switches)
Interior Lights Dimming Schematics (Cell 117: Headlamp and IP Lamp Dimmer Switch, Driver Information Display)
Handling ESD Sensitive Parts Notice
Cell 14: G200
Handling ESD Sensitive Parts Notice
Cell 14: G200
SIR Handling Caution