GM Service Manual Online
For 1990-2009 cars only
Makes
🢒
Chevrolet
🢒
2000
🢒
Venture
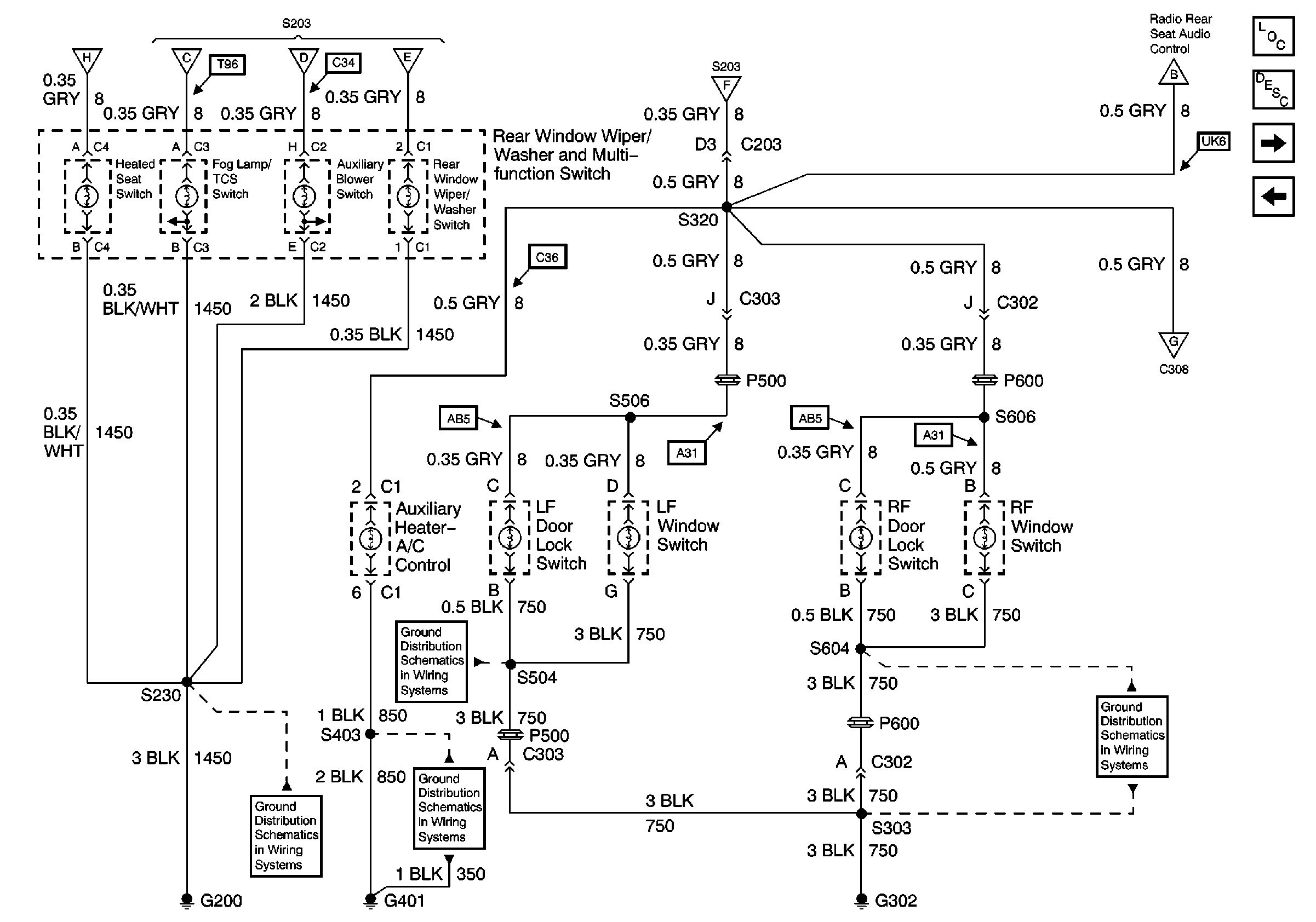
🢒 Interior Lights Dimming Schematics (Cell 117: Rear Window Wiper/Washer and Multifunction Switch, Window Switches, Door Lock Switches)
Interior Lights Dimming Schematics (Cell 117: Rear Window Wiper/Washer and Multifunction Switch, Window Switches, Door Lock Switches)
Interior Lights Dimming Schematics (Cell 117: Rear Window Wiper/Washer and Multifunction Switch, Window Switches, Door Lock Switches)
Lighting Systems Components
Interior Lights Dimming Circuit Description
Interior Lights Dimming Schematics (Cell 117: Interior Lamp and Multifunction Switch, Right Rear Door Latch, Release Actuator Switch)
Interior Lights Dimming Schematics (Cell 117: Heater-A/C Control Switches and Instrument Cluster)
Interior Lights Dimming Schematics (Cell 117: Headlamp and IP Lamp Dimmer Switch, Driver Information Display)
Interior Lights Dimming Schematics (Cell 117: Heater-A/C Control Switches and Instrument Cluster)
Interior Lights Dimming Schematics (Cell 117: Heater-A/C Control Switches and Instrument Cluster)
Cell 14: G302
Cell 14: G200
Cell 14: G401 and G402
Cell 14: G302
Interior Lights Dimming Schematics (Cell 117: Interior Lamp and Multifunction Switch, Right Rear Door Latch, Release Actuator Switch)