GM Service Manual Online
For 1990-2009 cars only
Makes
🢒
Chevrolet
🢒
2000
🢒
Venture
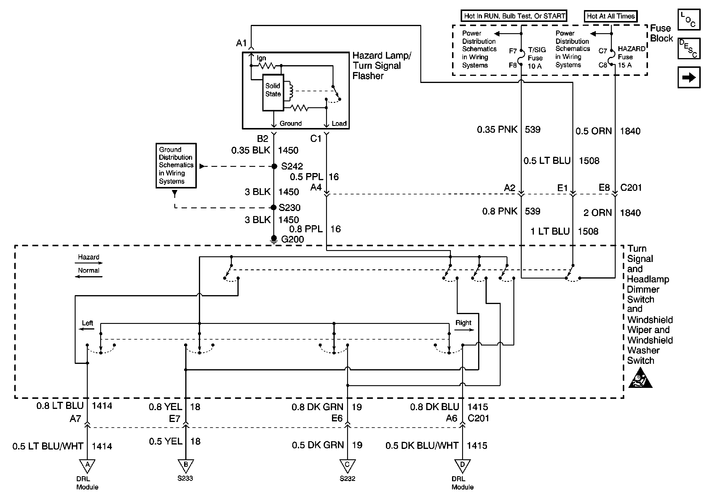
🢒 Hazard Lamp/Turn Signal Flasher, Turn Signal Switch
Hazard Lamp/Turn Signal Flasher, Turn Signal Switch
Hazard Lamp/Turn Signal Flasher, Turn Signal Switch
Cell 14: G200
Cell 110: DRL Ambient Light Sensor, DRL Control Module
Cell 110: Taillamps, Side Markers, Park/Turn Lamps
Cell 110: Taillamps, Side Markers, Park/Turn Lamps
Cell 110: DRL Ambient Light Sensor, DRL Control Module
IGN, SIR, T/S/G, Cruise, and PCM/Pass Key 1 Cluster Fuses
Stop Lamp, Hazard, and Pass Key Fuses, FRT HVAC MI BLWR and Headlamp Circuit Breakers
SIR Handling Caution
Cell 14: G401
Lighting Systems Components
Exterior Lights Circuit Description
Cell 110: Stoplamp Switch, Center High Mounted Stop Lamp