GM Service Manual Online
For 1990-2009 cars only
Makes
🢒
Chevrolet
🢒
2000
🢒
Venture
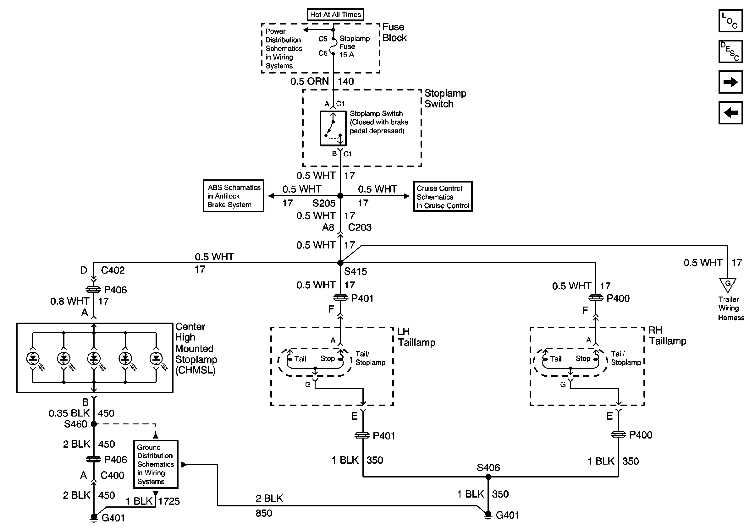
🢒 Cell 110: Stoplamp Switch, Center High Mounted Stop Lamp
Cell 110: Stoplamp Switch, Center High Mounted Stop Lamp
Cell 110: Stoplamp Switch, Center High Mounted Stop Lamp
Stop Lamp, Hazard, and Pass Key Fuses, FRT HVAC MI BLWR and Headlamp Circuit Breakers
ABS/TCS Schematics ( ABS MoDULE, DLC, Ground, Instrument Cluster, PCM, Power, Stop Lamp Switch)
Cell 14: G401
Cell 34
Cell 110: Fuse Block and G401
Lighting Systems Components
Exterior Lights Circuit Description
Cell 110: Taillamps, Side Markers, Park/Turn Lamps
Hazard Lamp/Turn Signal Flasher, Turn Signal Switch