GM Service Manual Online
For 1990-2009 cars only
Makes
🢒
Chevrolet
🢒
1998
🢒
Venture Ext.
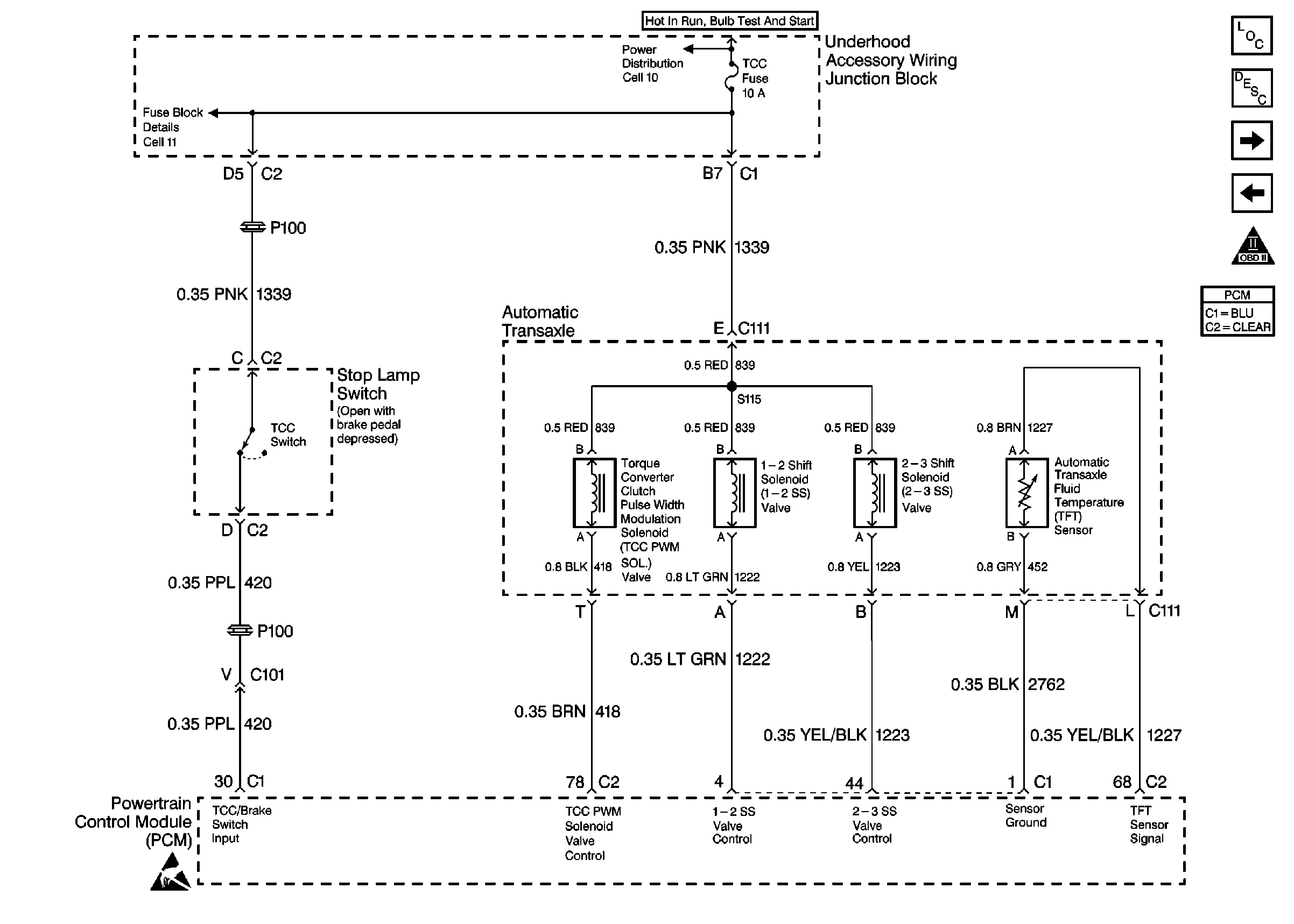
🢒 Automatic Transaxle (2 of 2)
Automatic Transaxle (2 of 2)
Automatic Transaxle, (2 of 2)
Engine Controls Components
Powertrain Control Module Description
Transaxle Range Switch
Automatic Transaxle (1 of 2)
OBD II Symbol Description Notice
Engine Controls Connector End Views
Cell 11: UH: A/C CLU, ELEK IGN, and TCC Fuses
Cell 10: Underhood Accessory Wiring Junction Block
ESD Notice