GM Service Manual Online
For 1990-2009 cars only
Makes
🢒
Chevrolet
🢒
1998
🢒
Venture Ext.
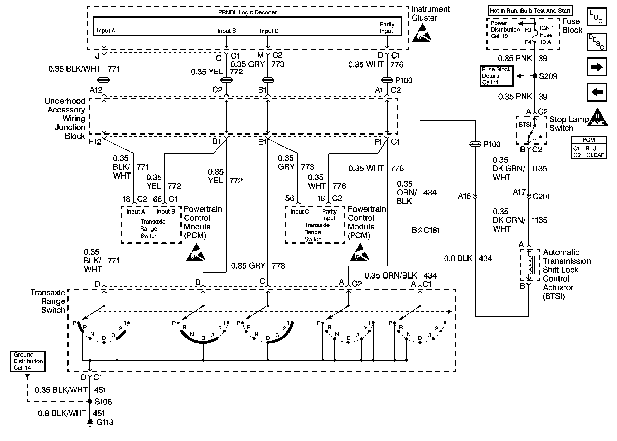
🢒 Transaxle Range Switch
Transaxle Range Switch
Transaxle Range Switch
Engine Controls Components
Powertrain Control Module Description
Automatic Transaxle (2 of 2)
OBD II Symbol Description Notice
Engine Controls Connector End Views