GM Service Manual Online
For 1990-2009 cars only
Makes
🢒
Chevrolet
🢒
1998
🢒
Venture Ext.
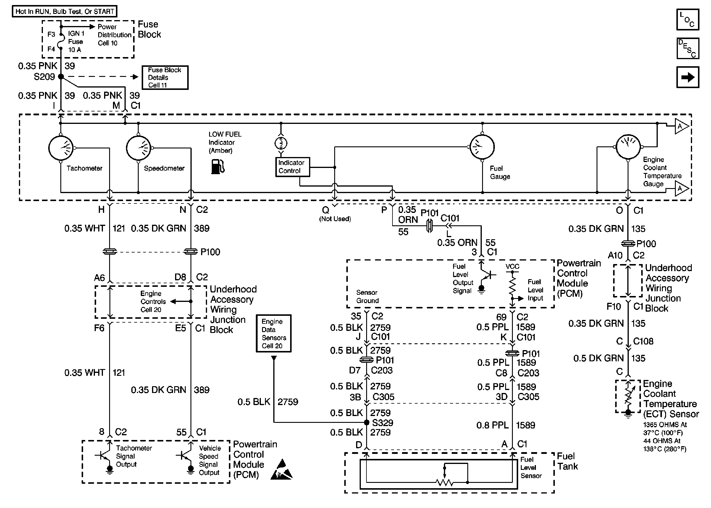
🢒 Cell 81: Fuel Gauge, Engine Coolant Temperature Gauge
Cell 81: Fuel Gauge, Engine Coolant Temperature Gauge
Cell 81: Fuel Gauge, Engine Coolant Temperature Gauge
Instrument Cluster Components
Instrument Cluster Circuit Description
Cell 81: Inflatable Restraint Sensing and SDM
Cell 10: Ignition Switch, Transaxle Range Switch
Cell 11: IGN 1 Fuse
Cell 81: Inflatable Restraint Sensing and SDM
Cell 81: Inflatable Restraint Sensing and SDM
Vehicle Speed Sensor
Fuel Control
Handling ESD Sensitive Parts Notice