The rotational movement of the toothed ring past the wheel speed sensor causes a change in the electromagnetic field which produces an AC voltage signal by the wheel speed sensor. The frequency of the sinusoidal (AC) voltage signal is proportional to the wheel speed. The amplitude of the AC voltage signal is directly related to wheel speed and the proximity of the wheel speed sensor to the toothed ring. The proximity of the wheel speed sensor to the toothed ring is also referred to as the air gap.
DTC C1233 can set anytime after initialization.
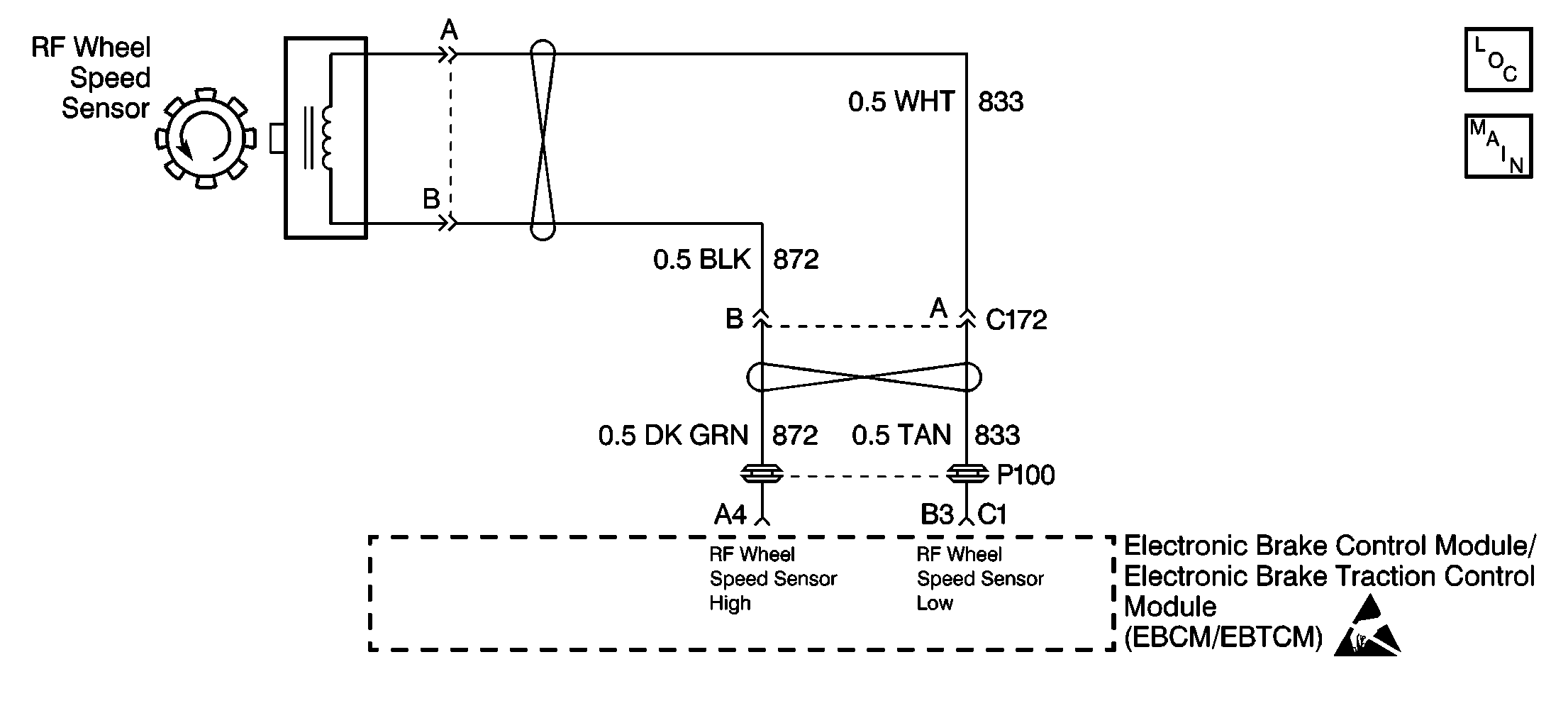
A malfunction exists if either of the right front wheel speed sensor circuits are open or shorted to voltage or ground.
| • | A malfunction DTC stores. |
| • | The ABS/TCS disables. |
| • | The amber ABS/TCS warning indicators turn on. |
| • | The condition responsible for setting the DTC no longer exists and the Scan Tool Clear DTC function is used. |
| • | 100 drive cycles pass with no DTC detected. |
The following conditions may cause an intermittent malfunction:
| • | A poor connection |
| • | Rubbed-through wire insulation |
| • | A broken wire inside the insulation |
Use the enhanced diagnostic function of the Scan Tool in order to measure the frequency of the malfunction. Refer to the Scan Tool manual or Scan Tool Diagnostics located in this section for the procedure.
If the customer's comments reflect that the amber ABS warning indicator is on only during moist environmental changes (rain, snow, vehicle wash), inspect all of the wheel speed sensor circuitry for signs of water intrusion. If the DTC is not current, clear all DTCs and simulate the effects of water intrusion by using the following procedure:
Thoroughly inspect any circuitry that may be causing the intermittent complaint for the following conditions:
| • | Backed out terminals |
| • | Improper mating |
| • | Broken locks |
| • | Improperly formed or damaged terminals |
| • | Poor terminal-to-wiring connections |
| • | Physical damage to the wiring harness |
| • | Corrosion and/or water intrusion of terminals. |
Important: Difficulty may occur when trying to locate the intermittent malfunctions in the wheel speed sensor. Do not disturb any of the electrical connections. Change electrical connections only when instructed to do so by a step in the diagnostic table. Changing the electrical connections at the correct time will ensure that an intermittent electrical connection will not be corrected until the source of the malfunction is found.
Resistance of the wheel speed sensor will increase with an increase in sensor temperature.
The following table contains resistance values for the front wheel speed sensors at varying temperatures for use in diagnosis. The values are approximate and should be used as a guideline for diagnosis.
Important: Zero the J 39200 test leads before making any resistance measurements.
Temperature (°C) | Temperature (°F) | Resistance (Ohms) |
|---|---|---|
-34 to 4 | -30 to 40 | 804 to 1066 |
5 to 43 | 41 to 110 | 956 to 1240 |
44 to 93 | 111 to 200 | 112 to 1463 |
Step | Action | Value(s) | Yes | No | ||||||||||||
|---|---|---|---|---|---|---|---|---|---|---|---|---|---|---|---|---|
1 | Was the Diagnostic System Check performed? | -- | Go to Diagnostic System Check | |||||||||||||
2 |
Is the resistance within the specified range? | 1020-1137 ohms at 20°C (68°F) | ||||||||||||||
3 | Use the J 39200 in order to measure the resistance between the 24-way EBCM/EBTCM harness connector C1 terminal B3 and ground. Is continuity to ground present? | -- | ||||||||||||||
4 |
Is the voltage equal to the specified value? | 0.00 V | ||||||||||||||
5 |
Is the voltage equal to the specified value? | 0.00 V | ||||||||||||||
6 | Use the J 39200 in order to measure the voltage between the 24-way EBCM/EBTCM harness connector C1 terminal A4 and ground. Is the voltage equal to the specified value? | 0.00 V | ||||||||||||||
7 |
Are there signs of poor terminal contact, terminal corrosion, or damaged terminals? | -- | ||||||||||||||
8 | Inspect the wiring of CKT 833 and CKT 872 for signs of wire damage. Wire damage may cause the following conditions in CKT 833 and CKT 872:
Are there signs of damaged wiring? | -- | ||||||||||||||
9 | Inspect the harness connectors of CKT 833 and CKT 872 for signs of wire damage. Wire damage may cause the following conditions in CKT 833 and CKT 872:
Are there signs of damaged connectors? | -- | ||||||||||||||
10 |
Does DTC C1233 set as a current DTC? | -- | ||||||||||||||
11 |
Is the resistance within the specified range? | 0-2 ohms | ||||||||||||||
12 | Use the J 39200 in order to measure the resistance between the 24-way EBCM/EBTCM connector C1 terminal A4 and the right front wheel speed sensor harness connector terminal A. Is the resistance within the specified range? | 0-2 ohms | ||||||||||||||
13 | Use the J 39200 in order to measure the resistance between the right front wheel speed sensor connector terminal A and the right front wheel speed sensor connector terminal B. Is the resistance within the specified range? | 1020-1137 ohms at 20°C (68°F) | ||||||||||||||
14 |
Is continuity to ground present? | -- | ||||||||||||||
15 | Use the J 39200 in order to measure the resistance between the 24-way EBCM/EBTCM connector C1 terminal A4 and ground. Is continuity to ground present? | -- | ||||||||||||||
16 |
Is continuity to ground present? | -- | ||||||||||||||
17 | Use the J 39200 in order to measure the resistance between the right front wheel speed sensor jumper harness connector terminal B (leading towards the EBCM/EBTCM ) and ground. Is continuity to ground present? | -- | ||||||||||||||
18 | Use the J 39200 in order to measure the resistance between the right front wheel speed sensor jumper connector terminal A (leading towards the wheel speed sensor) and ground. Is continuity to ground present? | -- | ||||||||||||||
19 |
Is the repair complete? | -- | Go to Diagnostic System Check | -- | ||||||||||||
20 |
Is the repair complete? | -- | Go to Diagnostic System Check | -- | ||||||||||||
21 |
Is the repair complete? | -- | Go to Diagnostic System Check | -- | ||||||||||||
22 |
Is the repair complete? | -- | Go to Diagnostic System Check | -- | ||||||||||||
23 |
Is the repair complete? | -- | Go to Diagnostic System Check | -- | ||||||||||||
24 |
Is the repair complete? | -- | Go to Diagnostic System Check | -- | ||||||||||||
25 |
Is the repair complete? | -- | Go to Diagnostic System Check | -- | ||||||||||||
26 |
Is the repair complete? | -- | Go to Diagnostic System Check | -- | ||||||||||||
27 | Replace all of the terminals and the connectors that exhibit signs of poor terminal contact, corrosion, or damaged terminals. Is the repair complete? | -- | Go to Diagnostic System Check | -- | ||||||||||||
28 | Replace the right front wheel speed sensor. Refer to Wheel Speed Sensor Replacement . Is the repair complete? | -- | Go to Diagnostic System Check | -- | ||||||||||||
29 | Replace the right front wheel speed sensor jumper harness. Refer to Wheel Speed Sensor Jumper Harness Replacement . Is the repair complete? | -- | Go to Diagnostic System Check | -- | ||||||||||||
30 | Replace the EBCM/EBTCM. Refer to Electronic Brake and Traction Control Module Replacement . Is the repair complete? | -- | Go to Diagnostic System Check | -- | ||||||||||||
31 | The malfunction is intermittent or not present at this time.
Is the repair complete? | -- | Go to Diagnostic System Check | Go to Diagnostic Aids |