GM Service Manual Online
For 1990-2009 cars only
Makes
🢒
Chevrolet
🢒
1999
🢒
Venture Ext.
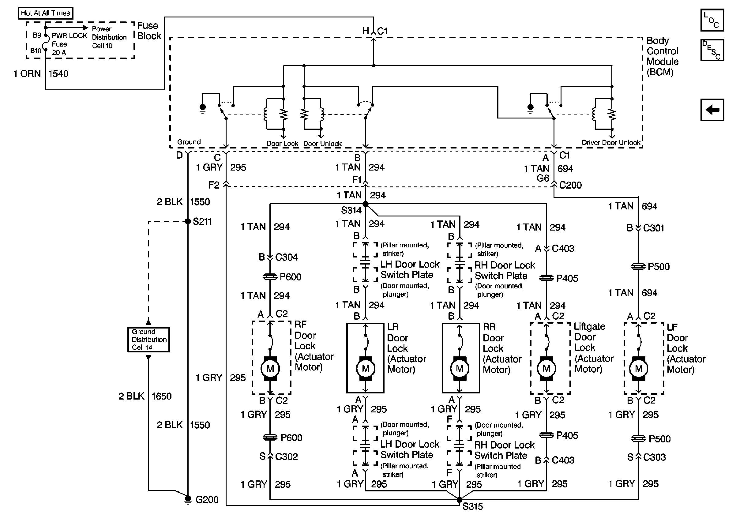
🢒 Power Door Lock Acuators
Power Door Lock Acuators
Power Door Lock Acuators
Power Door Systems Components
Automatic Door Lock Circuit Description
Door Locks with Liftgate Lock
Cell 10: EBCM, EBTCM, Battery
Cell 14: G200