GM Service Manual Online
For 1990-2009 cars only
Makes
🢒
Chevrolet
🢒
1999
🢒
Venture Ext.
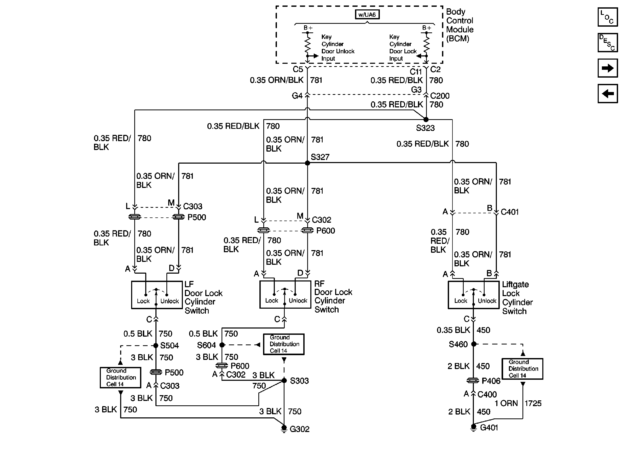
🢒 Door Locks with Liftgate Lock
Door Locks with Liftgate Lock
Door Locks with Liftgate Lock
Power Door Systems Components
Automatic Door Lock Circuit Description
Power Door Lock Acuators
Door Lock Power Distribution
Cell 14: G302
Cell 14: G302
Cell 14: G401