GM Service Manual Online
For 1990-2009 cars only
Makes
🢒
Chevrolet
🢒
2000
🢒
Venture Ext.
🢒 Front Blower Controls
Front Blower Controls
Front Blower Controls
HVAC Components
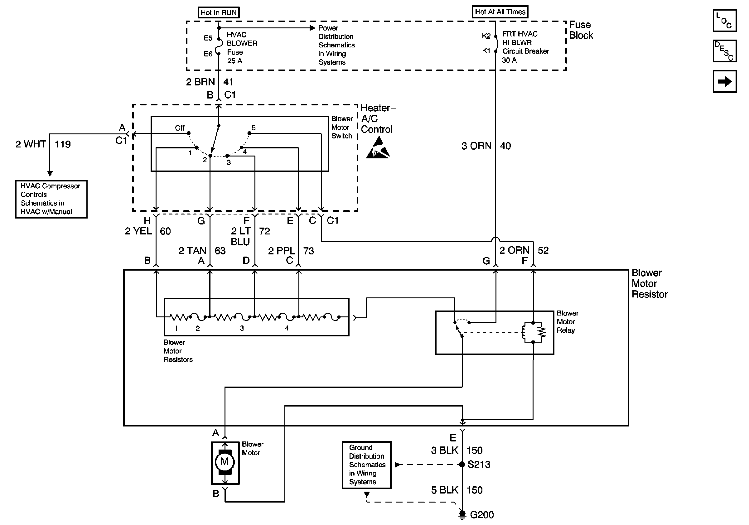
HVAC Blower Controls Circuit Description
Rear Blower Controls
HVAC Compressor and Auxiliary Coollant Bypass Pump Controls
Handling ESD Sensitive Parts Notice
HVAC/DIC/DRL/Heated Seat, HVAC Blower and RR HVAC/TEMP CONT Fuses
Cell 14: G200