GM Service Manual Online
For 1990-2009 cars only
Makes
🢒
Chevrolet
🢒
2000
🢒
Venture Ext.
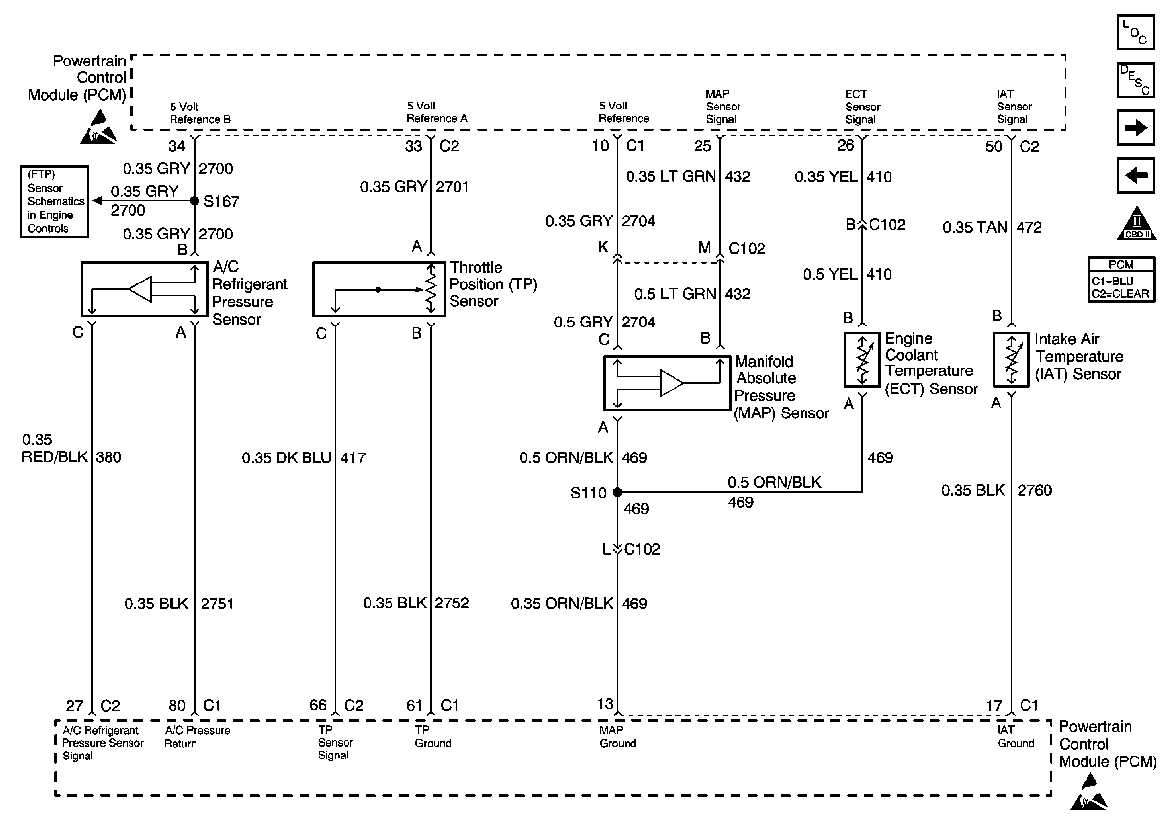
🢒 Engine Data Sensors, A/C Refrig Press, TP, MAP, ECT, IAT
Engine Data Sensors, A/C Refrig Press, TP, MAP, ECT, IAT
Engine Data Sensors, A/C Refrig Press, TP, MAP, ECT, IAT
Handling ESD Sensitive Parts Notice
Fuel Control
OBD II Symbol Description Notice
Handling ESD Sensitive Parts Notice
Engine Controls Components
Powertrain Control Module Description
Engine Data Sensors, MAF, EVAP Switch, EVAP Valve, EGR
Fuel Injectors
Powertrain Control Module Connector End Views