GM Service Manual Online
For 1990-2009 cars only
Makes
🢒
Chevrolet
🢒
2000
🢒
Venture Ext.
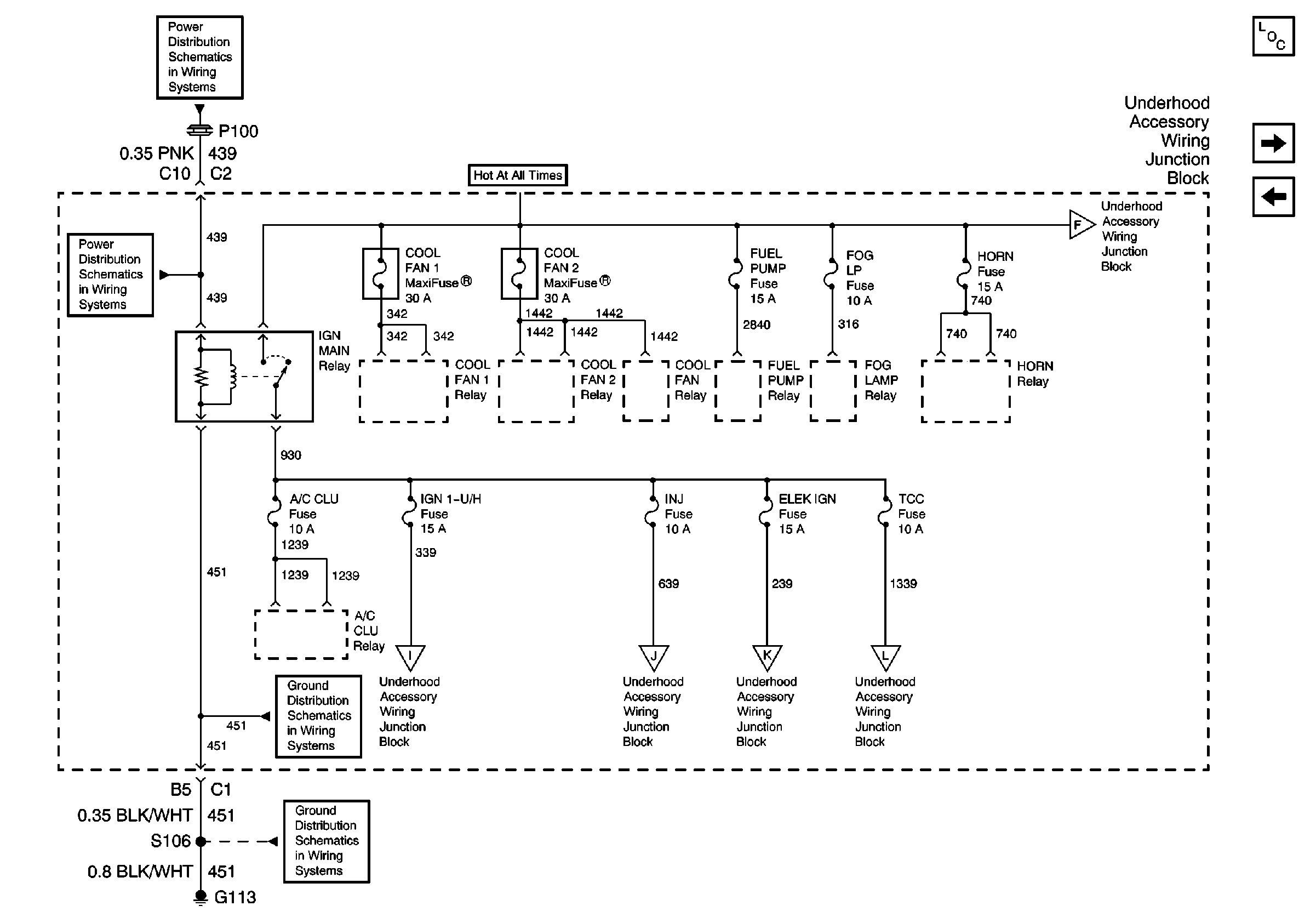
🢒 Underhood Accessory Wiring Junction Block
Underhood Accessory Wiring Junction Block
Underhood Accessory Wiring Junction Block
Ignition Switch IGN Main Relay, IGN Main 1, PCM/ABS, CONVENT SOL, DRL, and PCM/Crank Fuses
Cell 14: G100, G111 and G113
Under Accessory Wiring Junction Block and IGN 1 Fuse
Cell 14: G100, G111 and G113
Under Accessory Wiring Junction Block and INJ Fuse
Underhood Accessory Wiring Junction Block
Underhood Accessory Wiring Junction Block
Power and Grounding Components
Underhood Accessory Wiring Junction Block, Relay Center, PWR WDO and PWR OTR Vent Fuses
Ignition Switch IGN Main Relay, IGN Main 1, PCM/ABS, CONVENT SOL, DRL, and PCM/Crank Fuses
Ignition Switch IGN Main Relay, IGN Main 1, PCM/ABS, CONVENT SOL, DRL, and PCM/Crank Fuses
Underhood Accessory Wiring Junction Block, Relay Center, PWR WDO and PWR OTR Vent Fuses