GM Service Manual Online
For 1990-2009 cars only
Makes
🢒
Chevrolet
🢒
2000
🢒
Venture Ext.
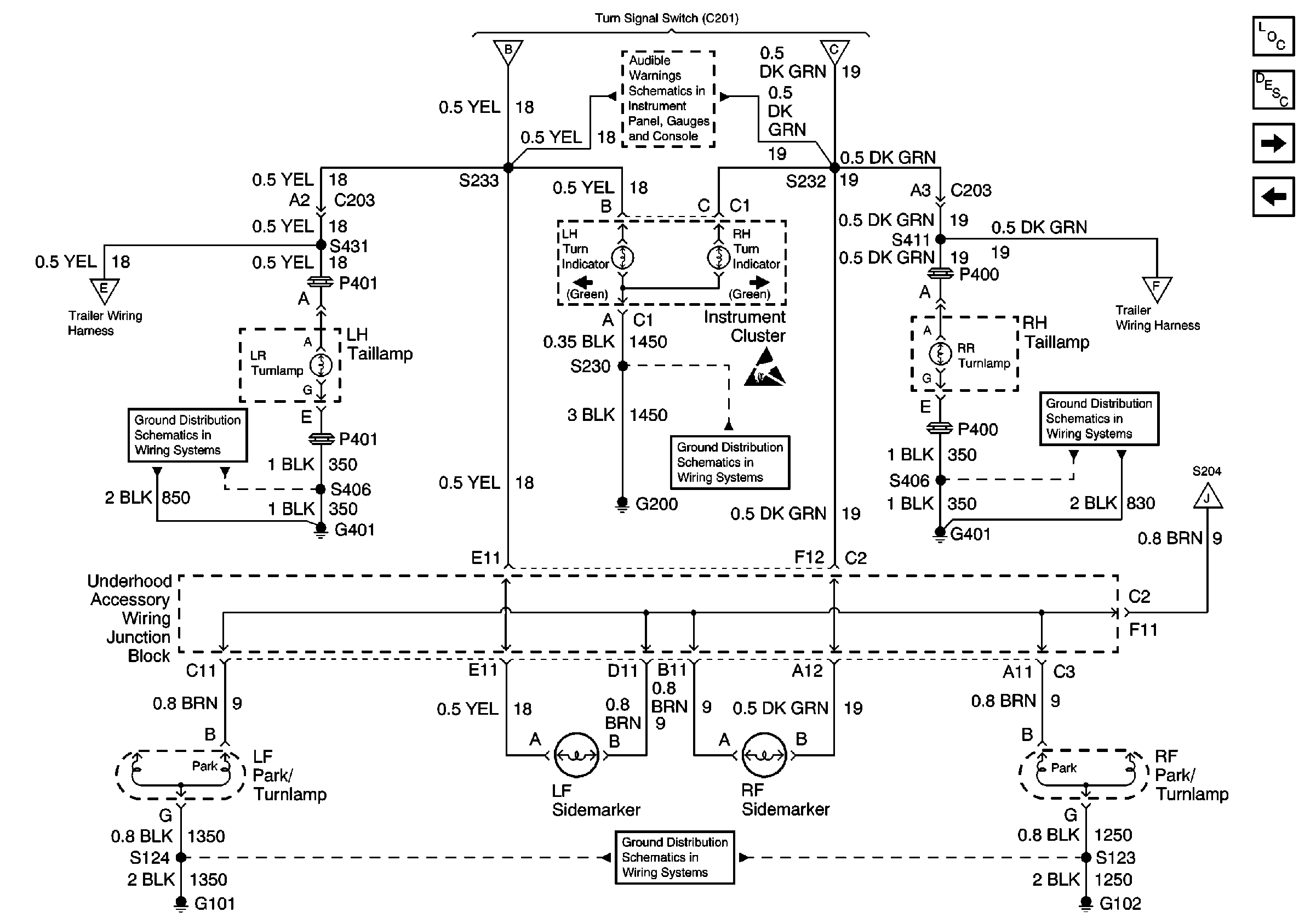
🢒 Cell 110: Taillamps, Side Markers, Park/Turn Lamps
Cell 110: Taillamps, Side Markers, Park/Turn Lamps
Cell 110: Taillamps, Side Markers, Park/Turn Lamps
Cell 110: Fuse Block and G401
Cell 14: G401 and G402
Hazard Lamp/Turn Signal Flasher, Turn Signal Switch
Hardwire Indicators
Hazard Lamp/Turn Signal Flasher, Turn Signal Switch
Handling ESD Sensitive Parts Notice
Cell 14: G200
Cell 14: G101 and G102
Backup Lights Schematics (Cell 112)
Cell 14: G401 and G402
Cell 110: License Lamps, Relay Center
Lighting Systems Components
Exterior Lights Circuit Description
Cell 110: License Lamps, Relay Center
Cell 110: Stoplamp Switch, Center High Mounted Stop Lamp