GM Service Manual Online
For 1990-2009 cars only
Makes
🢒
Chevrolet
🢒
2000
🢒
Venture Ext.
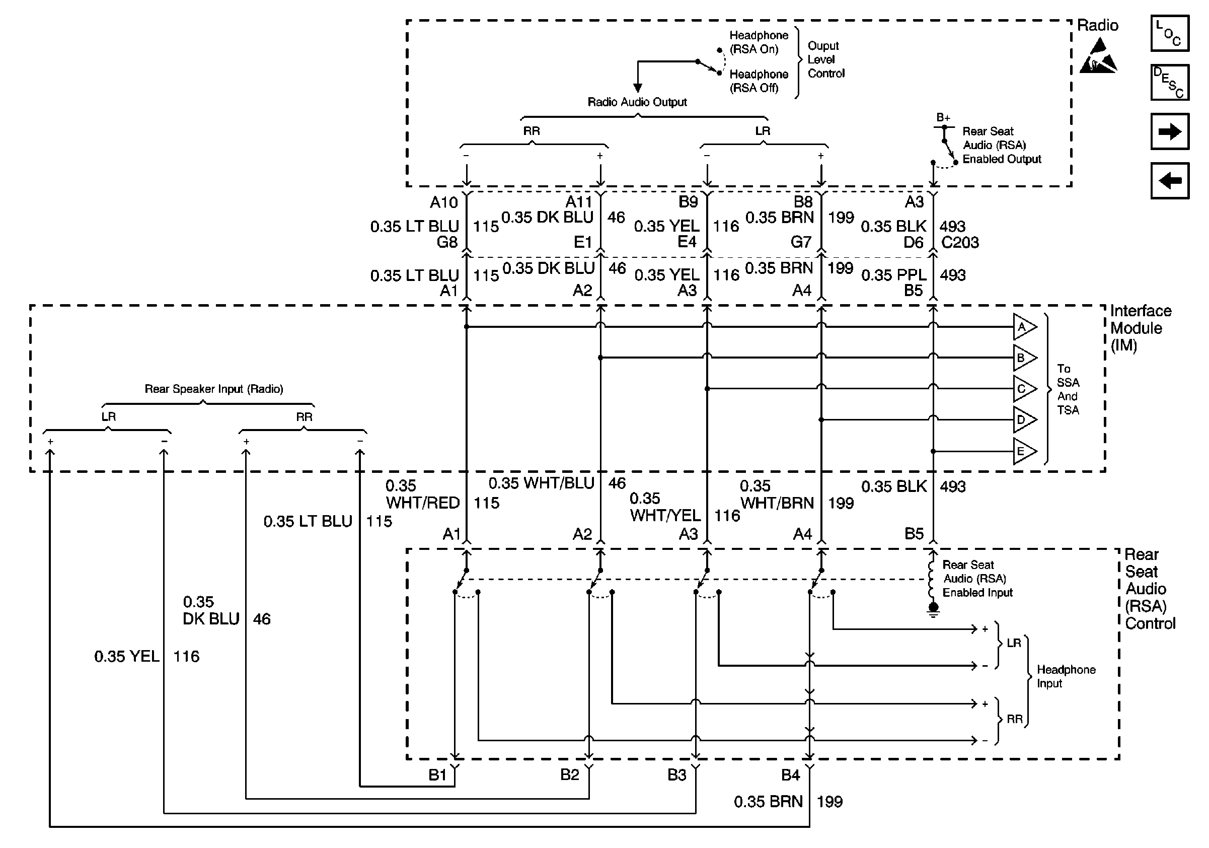
🢒 Radio Audio Channel Outputs
Radio Audio Channel Outputs
Radio Audio Channel Outputs
Handling ESD Sensitive Parts Notice
Entertainment Components
Video System Description
Radio Audio Channel Outputs
Rear Seat Audio (RSA) Enabling Circuits
Radio Audio Channel Outputs