GM Service Manual Online
For 1990-2009 cars only
Makes
🢒
Chevrolet
🢒
2001
🢒
Venture Ext.
🢒
Body and Accessories
🢒
Wipers/Washer Systems
🢒 Wiper/Washer Schematics
Figure
1:
Wiper/Washer System (Pulse)
IGN MAIN 2, BCM PRGRM, RR WPR/WSHR, MALL/CLUSTER and FRT/WPR/WSHR Fuses
G200 (1 of 3)
Master Electrical Component List
Wiper/Washer System Description and Operation
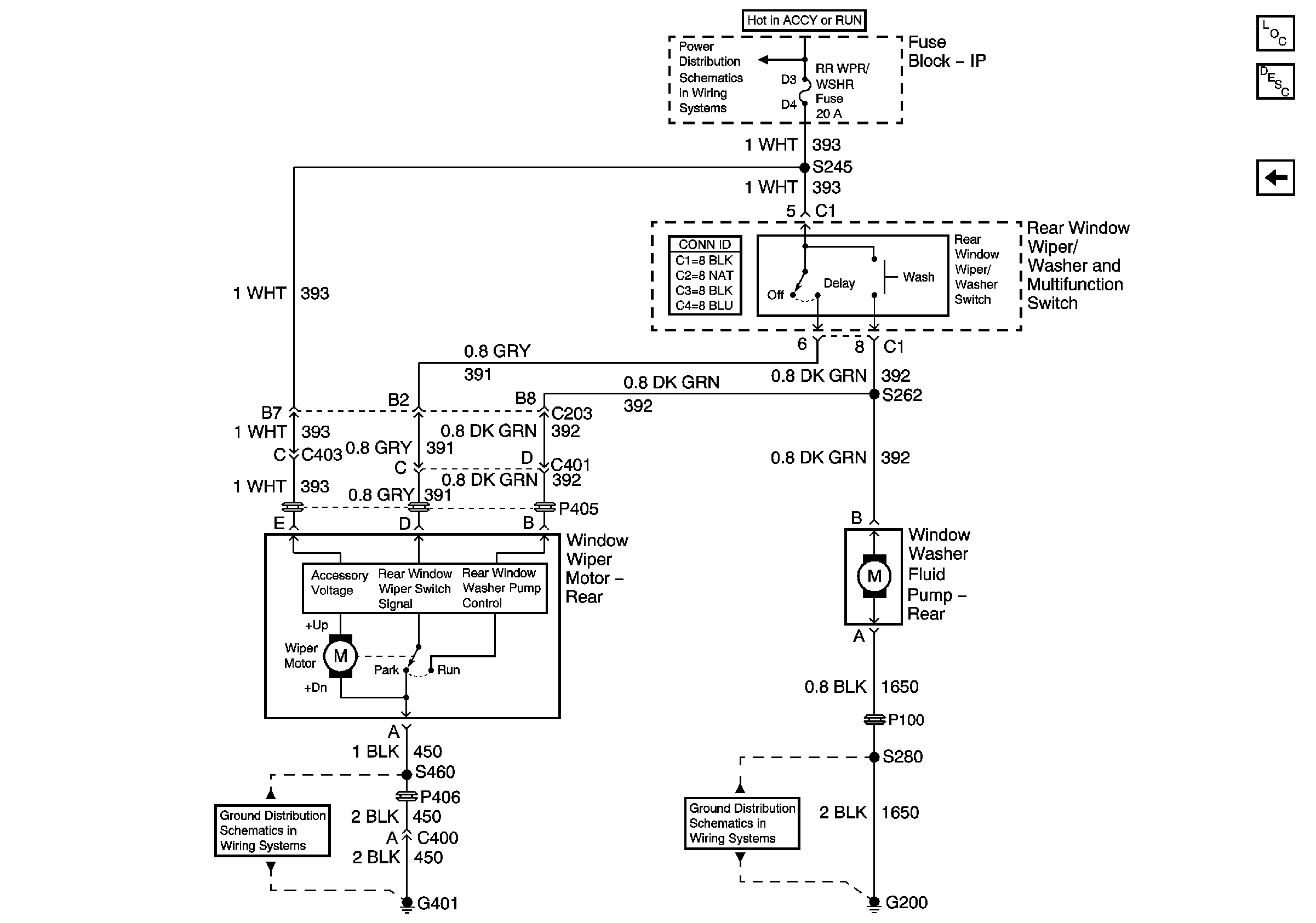
Wiper/Washer System (Rear)
Figure
2:
Wiper/Washer System (Rear)
IGN MAIN 2, BCM PRGRM, RR WPR/WSHR, MALL/CLUSTER and FRT/WPR/WSHR Fuses
Rear Window Wiper/Washer and Multifunction Switch, Window and Door Lock Switches
G401
G200 (1 of 3)
G200 (1 of 3)
Master Electrical Component List
Wiper/Washer System Description and Operation
Wiper/Washer System (Pulse)