GM Service Manual Online
For 1990-2009 cars only
Makes
🢒
Chevrolet
🢒
2001
🢒
Venture Ext.
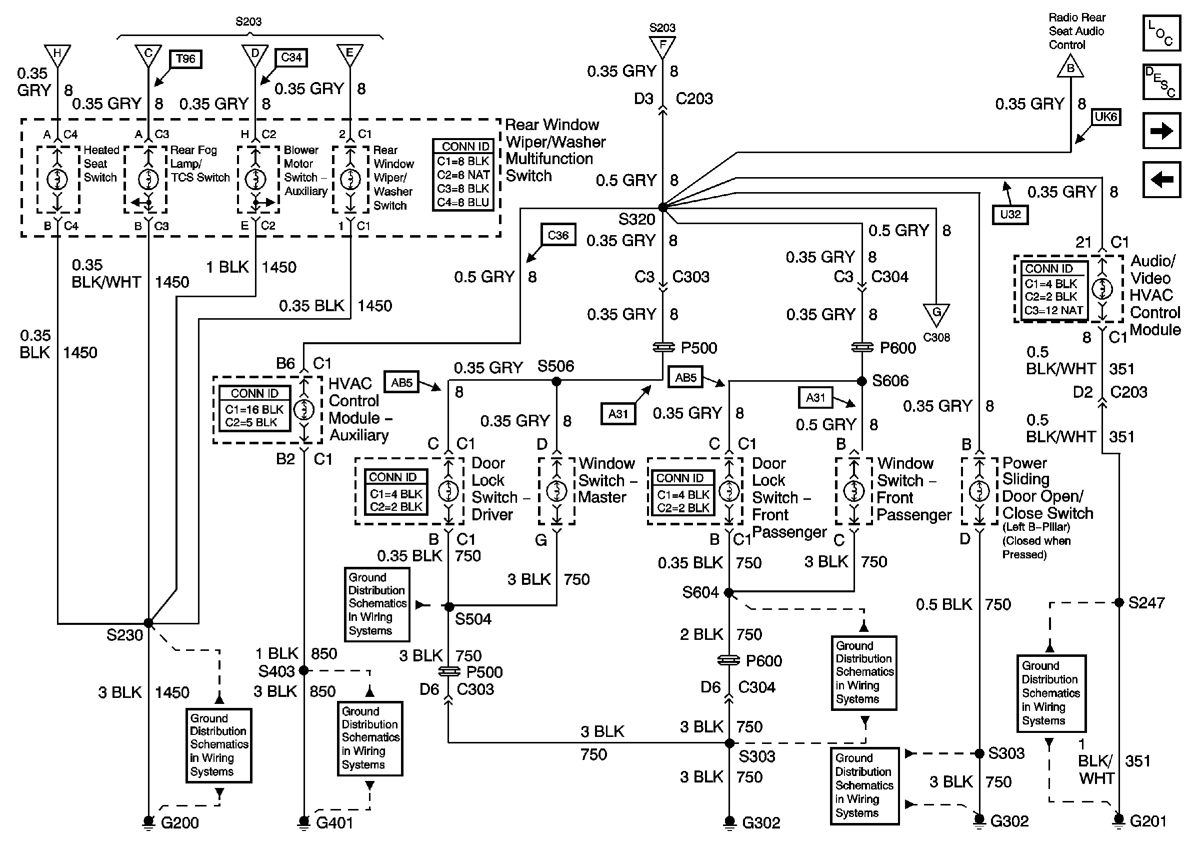
🢒 Rear Window Wiper/Washer and Multifunction Switch, Window and Door Lock Switches
Rear Window Wiper/Washer and Multifunction Switch, Window and Door Lock Switches
Rear Window Wiper/Washer and Multifunction Switch, Window and Door Lock Switches
Heater-A/C Control Switches and Instrument Cluster
Heater-A/C Control Switches and Instrument Cluster
Heater-A/C Control Switches and Instrument Cluster
Heater-A/C Control Switches and Instrument Cluster
Heater-A/C Control Switches and Instrument Cluster
Headlamp and IP Lamp Dimmer Switch
Interior Lamp and Multifunction Switch, Driver Information Display and Release Actuator Switch
G302 (2 of 2)
G200 (1 of 3)
G401
G302 (2 of 2)
G302 (2 of 2)
Master Electrical Component List
Interior Lighting Systems Description and Operation
Interior Lamp and Multifunction Switch, Driver Information Display and Release Actuator Switch
Heater-A/C Control Switches and Instrument Cluster