GM Service Manual Online
For 1990-2009 cars only
Makes
🢒
Chevrolet
🢒
2001
🢒
Venture Ext.
🢒
Body and Accessories
🢒
Doors
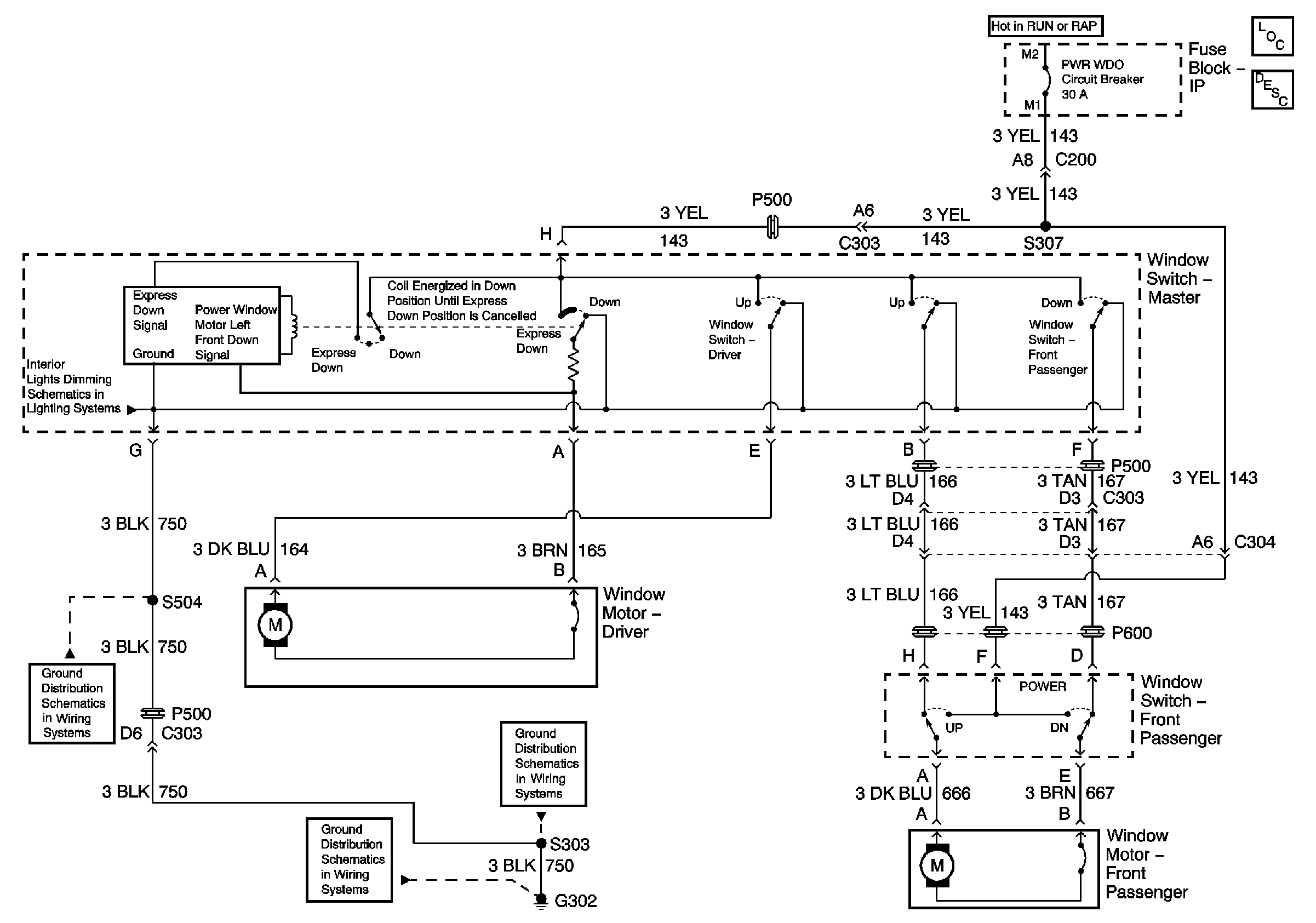
🢒 Power Window Schematics
Power Windows
Rear Window Wiper/Washer and Multifunction Switch, Window and Door Lock Switches
G302 (2 of 2)
G302 (2 of 2)
G302 (2 of 2)
Rear Window Wiper/Washer and Multifunction Switch, Window and Door Lock Switches
Master Electrical Component List
Power Windows Description and Operation