GM Service Manual Online
For 1990-2009 cars only
Makes
🢒
Chevrolet
🢒
2001
🢒
Venture Ext.
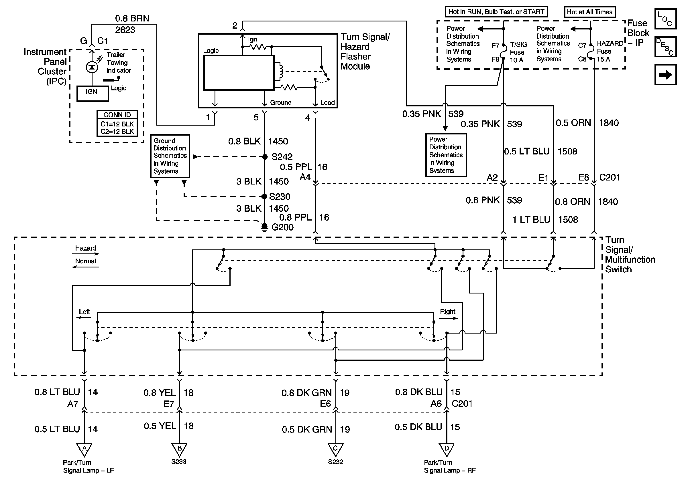
🢒 Export Hazard Lamp/Turn Signal Flasher and Turn Signal Switch
Export Hazard Lamp/Turn Signal Flasher and Turn Signal Switch
Export Hazard Lamp/Turn Signal Flasher and Turn Signal Switch
G200 (1 of 3)
IGN 1, SDM, T/SIG, CRUISE and PCM PASS KEY/CLUSTER Fuses
Junction Block - Underhood, STOPLAMP, HAZARD, PASSKEY, FRT HVAC HI BLWR and HEADLAMP Circuit Breakers
Export Turn and Side Marker Lamps
Export Turn and Side Marker Lamps
Export Turn and Side Marker Lamps
Export Turn and Side Marker Lamps
Master Electrical Component List
Exterior Lighting Systems Description and Operation
Export Turn and Side Marker Lamps