GM Service Manual Online
For 1990-2009 cars only
Makes
🢒
Chevrolet
🢒
2001
🢒
Venture Ext.
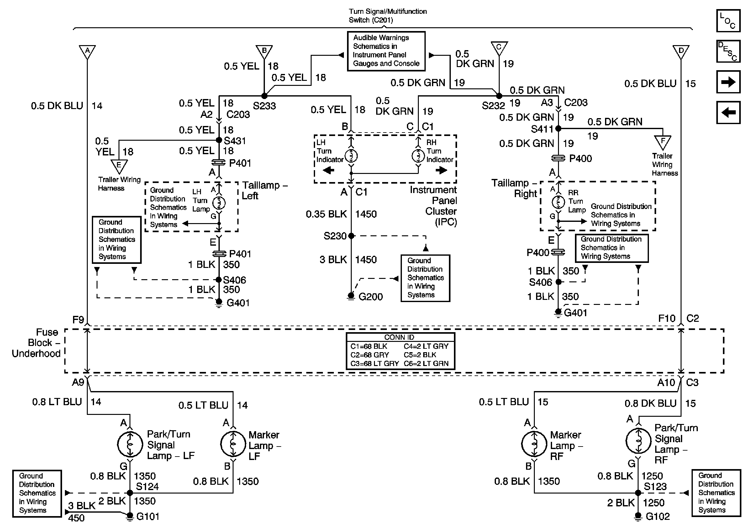
🢒 Export Turn and Side Marker Lamps
Export Turn and Side Marker Lamps
Export Turn and Side Marker Lamps
Export Hazard Lamp/Turn Signal Flasher and Turn Signal Switch
Export Hazard Lamp/Turn Signal Flasher and Turn Signal Switch
BCM and Power
Export Hazard Lamp/Turn Signal Flasher and Turn Signal Switch
Export Hazard Lamp/Turn Signal Flasher and Turn Signal Switch
Export Trailer Wiring, Power and Ground
G401
G101 and G102
Export Trailer Wiring, Power and Ground
G401
G101 and G102
G101 and G102
Master Electrical Component List
Exterior Lighting Systems Description and Operation
Export Headlamp Position Lamps/License Lamps
Export Hazard Lamp/Turn Signal Flasher and Turn Signal Switch