GM Service Manual Online
For 1990-2009 cars only
Makes
🢒
Chevrolet
🢒
2001
🢒
Venture Ext.
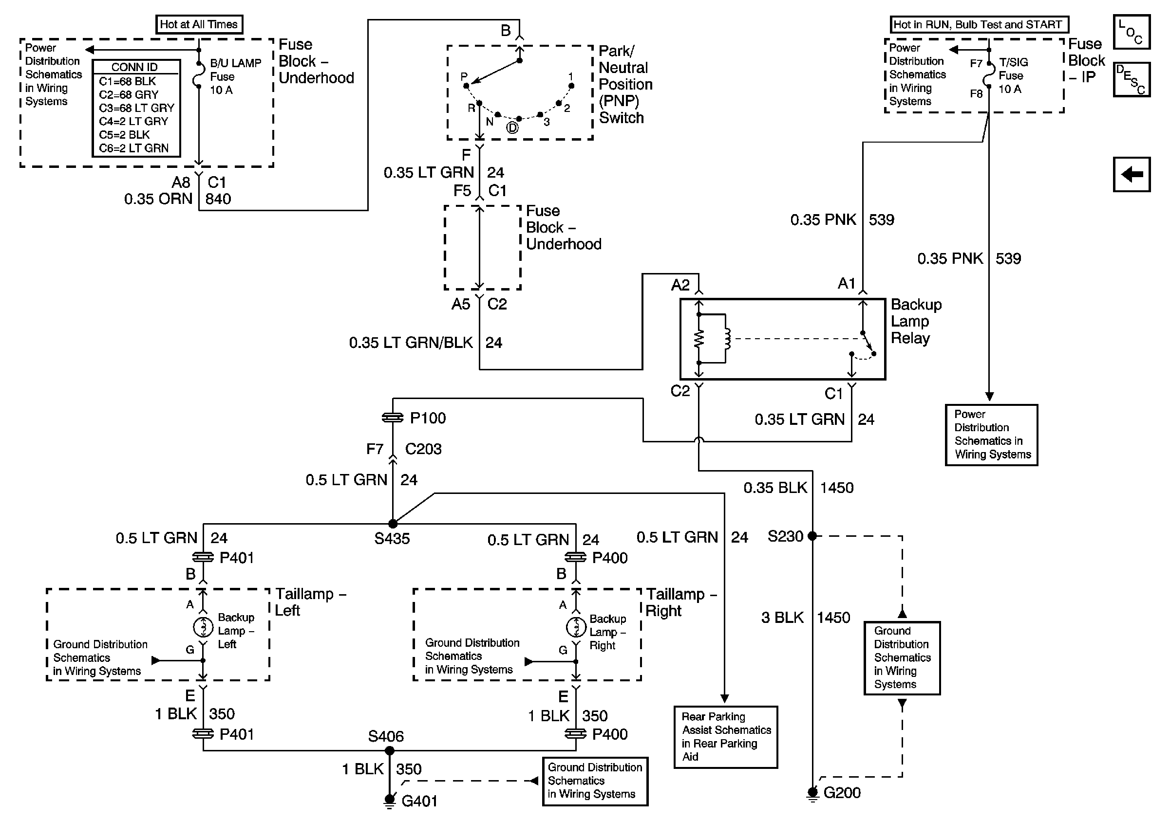
🢒 Export Backup Lights
Export Backup Lights
Export Backup Lights
RAP Relay Junction Block - Underhood, ECM SENSE, B/U LAMP, ALT/SENSE and AIR Fuses
IGN 1, SDM, T/SIG, CRUISE and PCM PASS KEY/CLUSTER Fuses
G401 and G402
G401 and G402
G401
G200 (1 of 3)
Master Electrical Component List
Exterior Lighting Systems Description and Operation
Export Trailer Wiring, Power and Ground