GM Service Manual Online
For 1990-2009 cars only
Makes
🢒
Chevrolet
🢒
2001
🢒
Venture Ext.
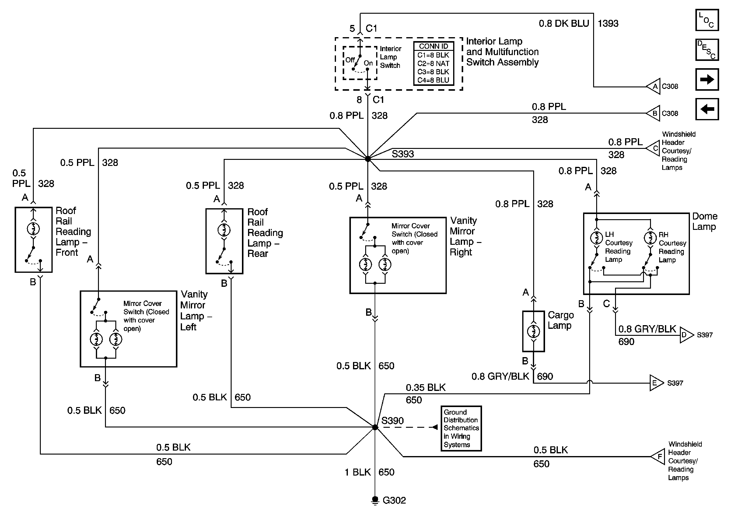
🢒 Interior Lamp and Multifunction Switch and Sunshade Lighted Vanity Mirror
Interior Lamp and Multifunction Switch and Sunshade Lighted Vanity Mirror
Interior Lamp and Multifunction Switch and Sunshade Lighted Vanity Mirror
Windshield Header/Courtesy Reading Lamps
Windshield Header/Courtesy Reading Lamps
Windshield Header/Courtesy Reading Lamps
Windshield Header/Courtesy Reading Lamps
Windshield Header/Courtesy Reading Lamps
Windshield Header/Courtesy Reading Lamps
G302 (1 of 2)
Master Electrical Component List
Interior Lighting Systems Description and Operation
Windshield Header/Courtesy Reading Lamps
Door Locks, Sliding Door Jamb Switches and Liftgate Door Lock