GM Service Manual Online
For 1990-2009 cars only
Makes
🢒
Chevrolet
🢒
2001
🢒
Venture Ext.
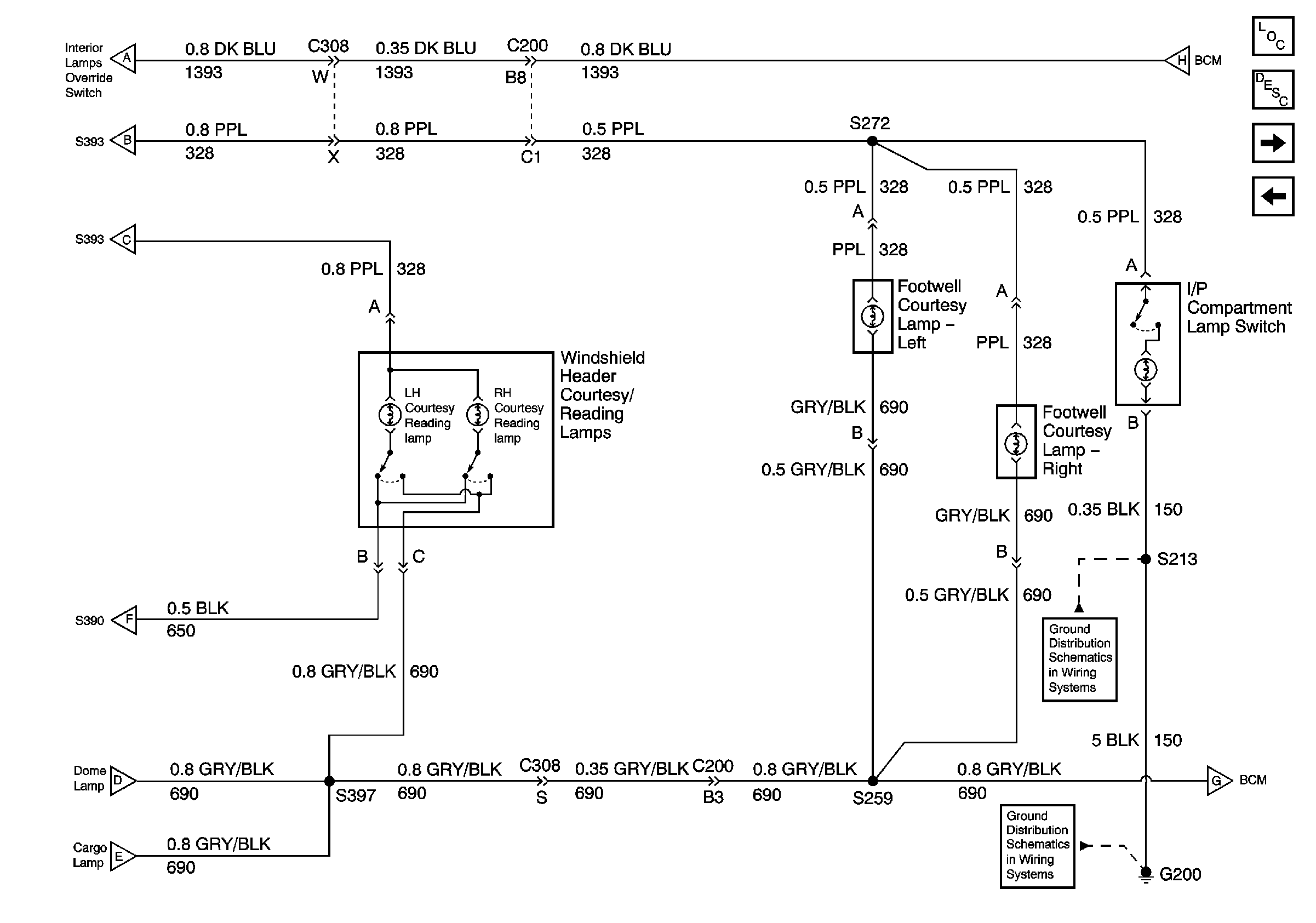
🢒 Windshield Header/Courtesy Reading Lamps
Windshield Header/Courtesy Reading Lamps
Windshield Header/Courtesy Reading Lamps
Interior Lamp and Multifunction Switch and Sunshade Lighted Vanity Mirror
Interior Lamp and Multifunction Switch and Sunshade Lighted Vanity Mirror
Interior Lamp and Multifunction Switch and Sunshade Lighted Vanity Mirror
Interior Lamp and Multifunction Switch and Sunshade Lighted Vanity Mirror
Interior Lamp and Multifunction Switch and Sunshade Lighted Vanity Mirror
Interior Lamp and Multifunction Switch and Sunshade Lighted Vanity Mirror
BCM, Headlamp and IP Lamp Dimmer Switch
G200 (2 of 3)
BCM, Headlamp and IP Lamp Dimmer Switch
Master Electrical Component List
Interior Lighting Systems Description and Operation
BCM, Headlamp and IP Lamp Dimmer Switch
Interior Lamp and Multifunction Switch and Sunshade Lighted Vanity Mirror