GM Service Manual Online
For 1990-2009 cars only
Makes
🢒
Chevrolet
🢒
2001
🢒
Venture Ext.
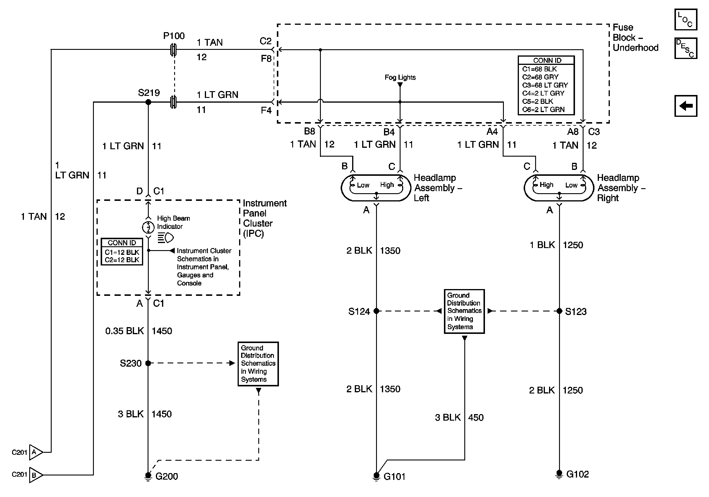
🢒 Headlamps
Headlamps
Headlamps
Headlamp and IP Lamp Dimmer Switch
Headlamp and IP Lamp Dimmer Switch
Hardwire Indicators
G200 (1 of 3)
G101 and G102
Master Electrical Component List
Exterior Lighting Systems Description and Operation
Headlamp and IP Lamp Dimmer Switch