GM Service Manual Online
For 1990-2009 cars only
Makes
🢒
Chevrolet
🢒
2001
🢒
Venture Ext.
🢒 Generator Controls
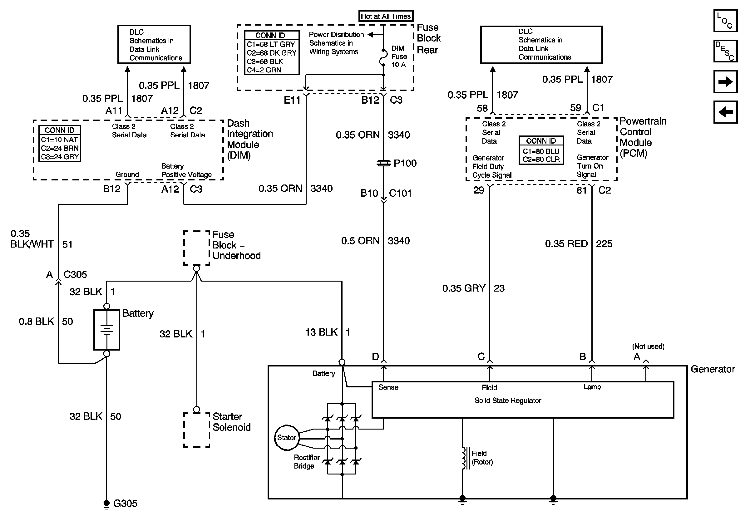
Generator Controls
Generator Controls
Master Electrical Component List
Class 2 Serial Data
Class 2 Serial Data
Battery Voltage to the Rear Fuse Block
Indicators
Starting Controls