GM Service Manual Online
For 1990-2009 cars only
Makes
🢒
Chevrolet
🢒
2001
🢒
Venture Ext.
🢒 IGN 3 and ABS Fuses (Fuse Block - Rear)
IGN 3 and ABS Fuses (Fuse Block - Rear)
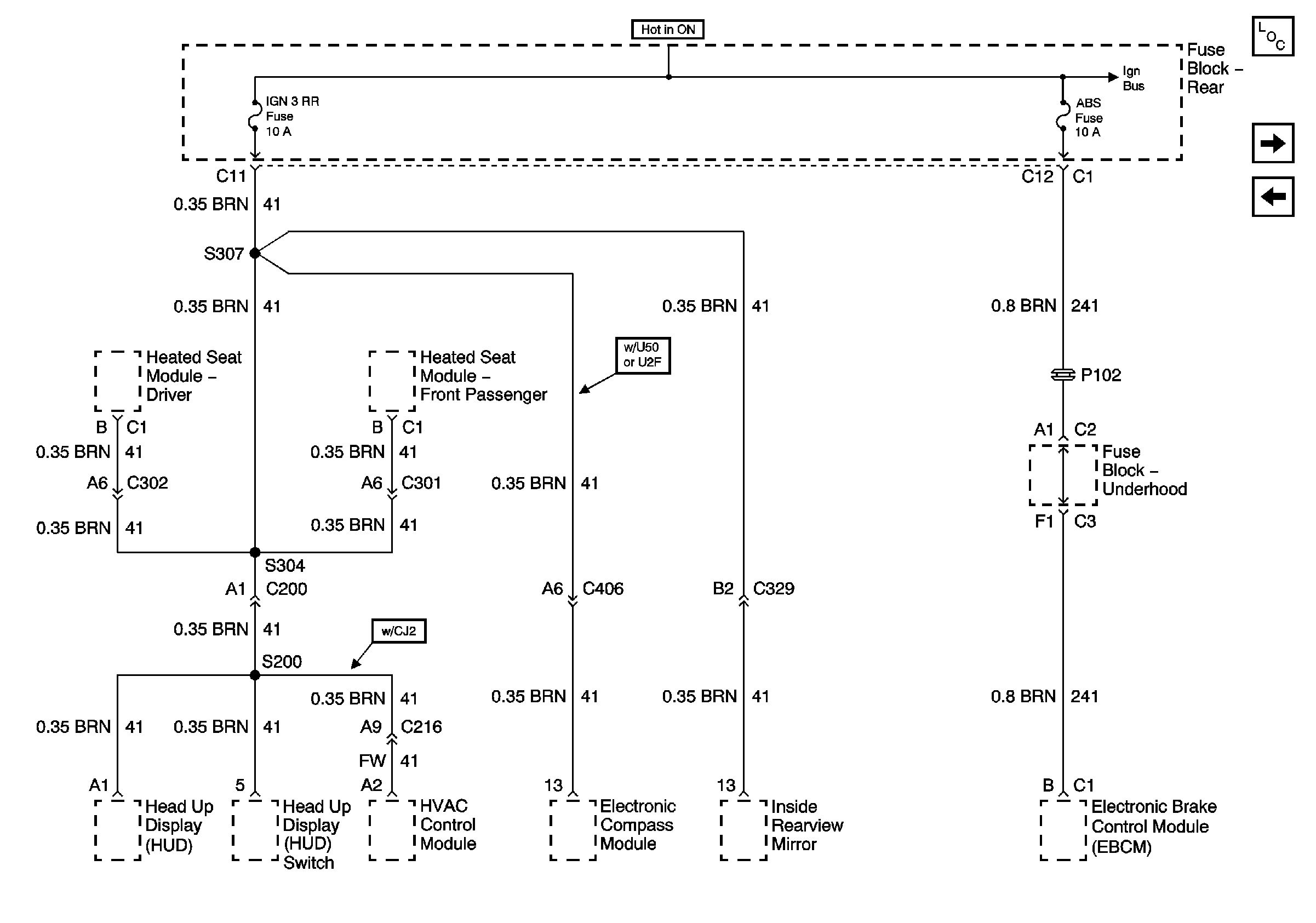
IGN 3 and ABS Fuses (Fuse Block -- Rear)
Master Electrical Component List
HVAC Fuse (Fuse Block - Rear)
IGN 1, VENT SOL, and SIR Fuses (Fuse Block - Rear)