GM Service Manual Online
For 1990-2009 cars only
Makes
🢒
Chevrolet
🢒
2001
🢒
Venture Ext.
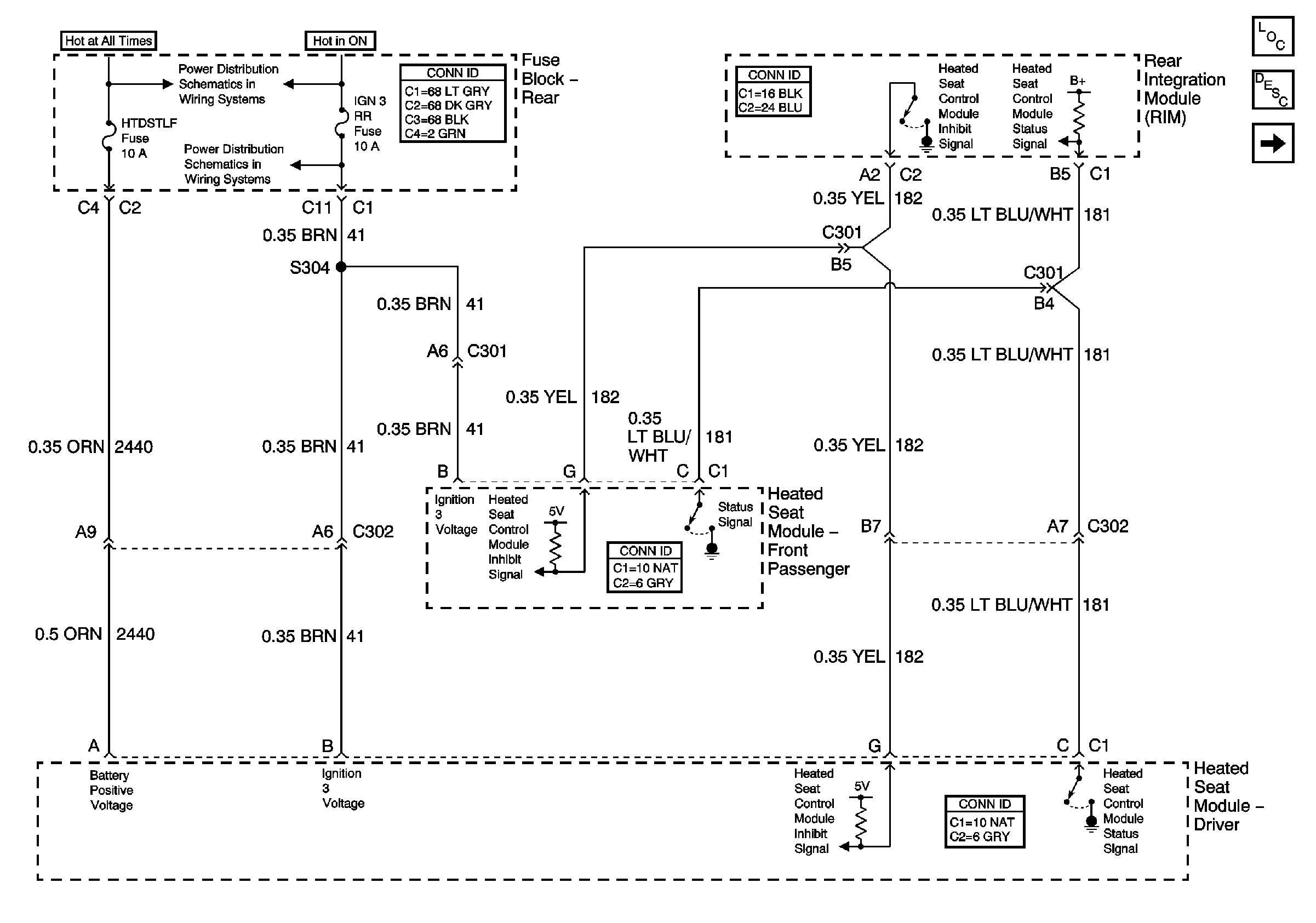
🢒 Power and RIM Controls
Power and RIM Controls
Power and RIM Controls
Master Electrical Component List
Battery Voltage to the Rear Fuse Block
IGN 3 and ABS Fuses (Fuse Block - Rear)
Left Seat