GM Service Manual Online
For 1990-2009 cars only
Makes
🢒
Chevrolet
🢒
2001
🢒
Venture Ext.
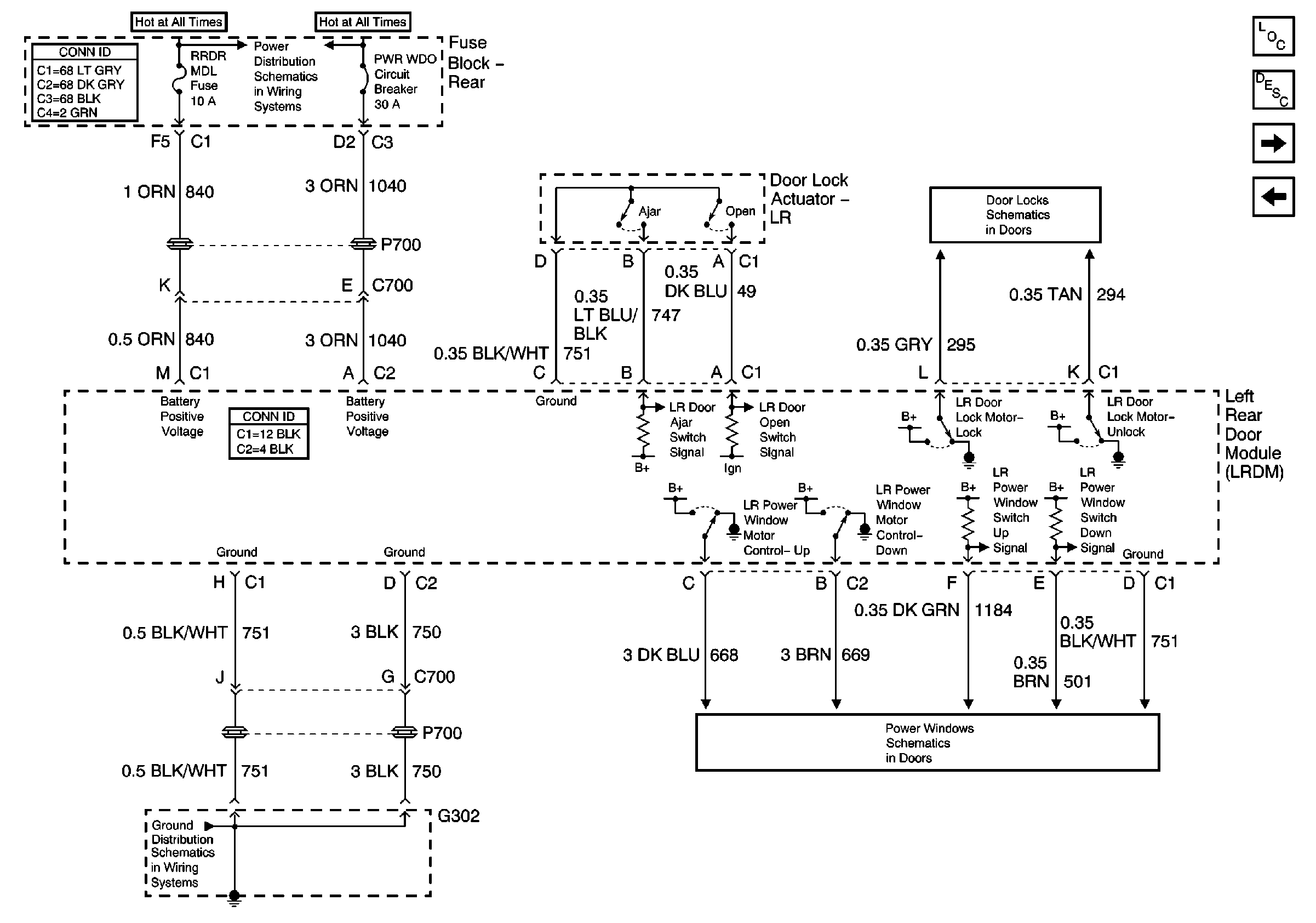
🢒 LRDM
LRDM
LRDM
Master Electrical Component List
Battery Voltage to the Rear Fuse Block
G302
Left Rear Door
Left Rear Door
RRDM
DDM Inputs/Outputs