GM Service Manual Online
For 1990-2009 cars only
Makes
🢒
Chevrolet
🢒
2001
🢒
Venture Ext.
🢒 RRDM
RRDM
RRDM
Master Electrical Component List
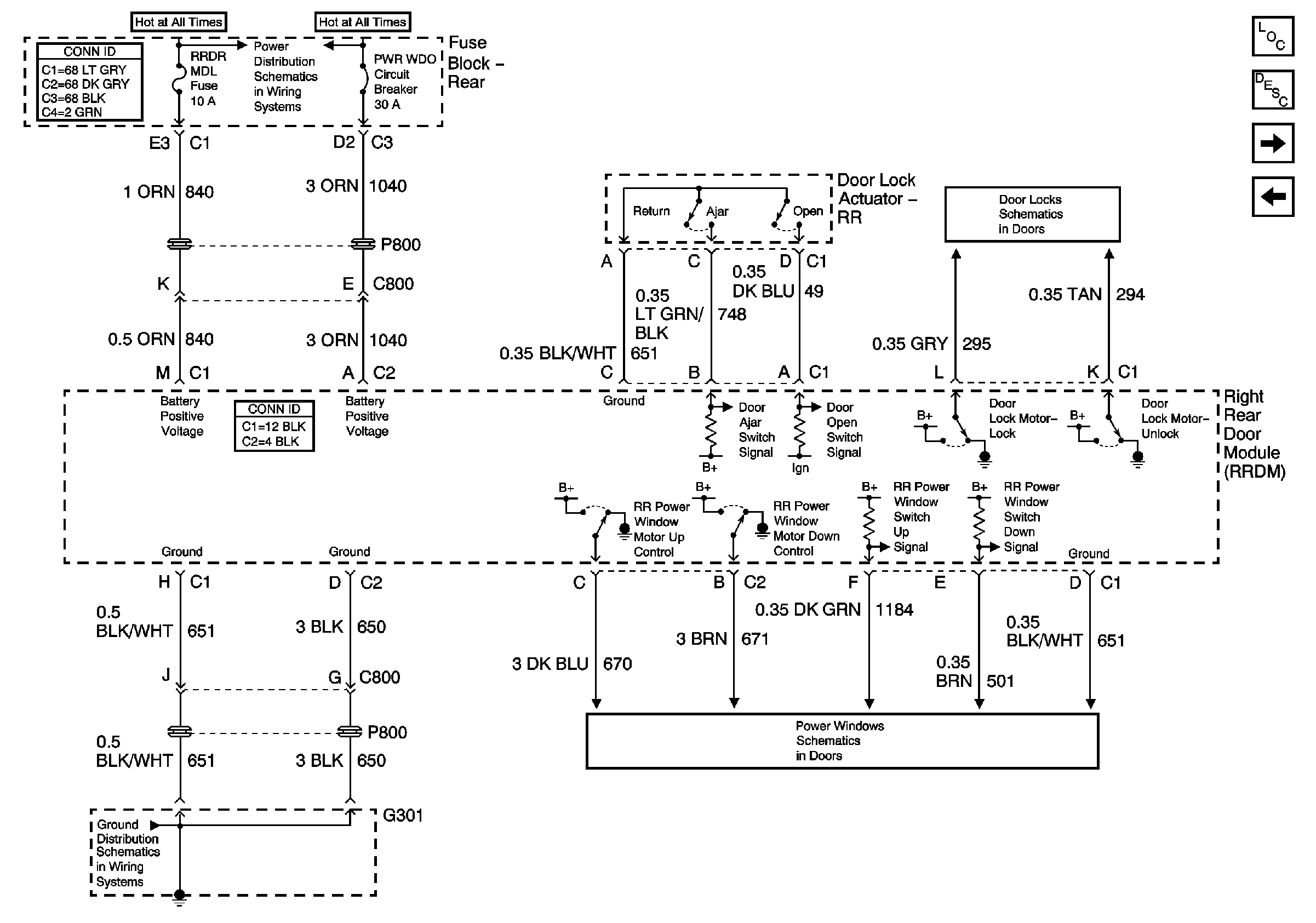
Battery Voltage to the Rear Fuse Block
G300 and G301 (1 of 2)
Right Rear Door
Right Rear Door
Driver Door Switch Assembly
LRDM