GM Service Manual Online
For 1990-2009 cars only
Makes
🢒
Chevrolet
🢒
2001
🢒
Venture Ext.
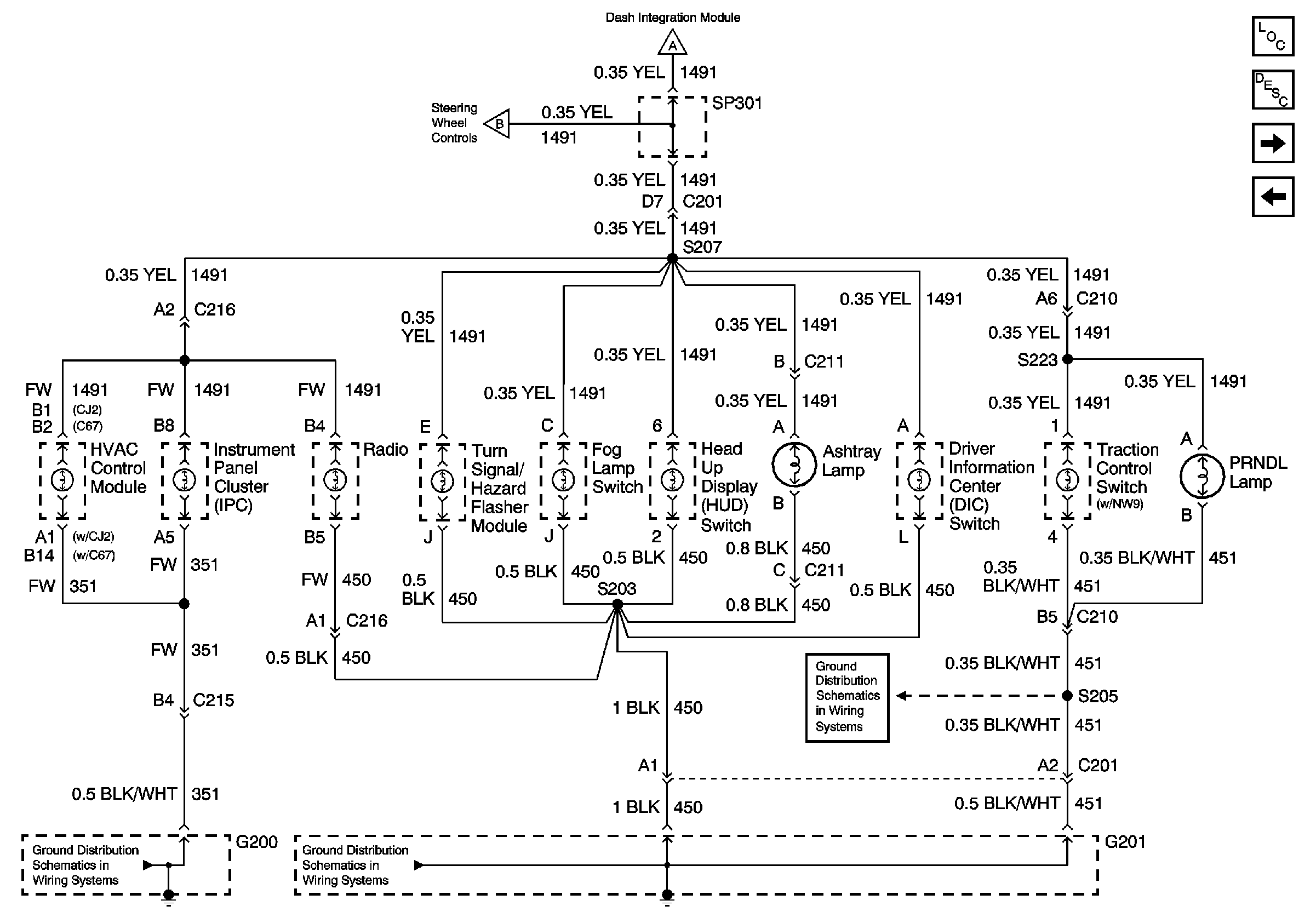
🢒 IP and Console Lamp Dimming
IP and Console Lamp Dimming
IP and Console Lamp Dimming
Master Electrical Component List
G200
Steering Column Lamps Dimming
Dimming Controls
G201 (2 of 2)
G201 (2 of 2)
Front Door Dimming
Dimming Controls