GM Service Manual Online
For 1990-2009 cars only
Makes
🢒
Chevrolet
🢒
2002
🢒
Venture Ext.
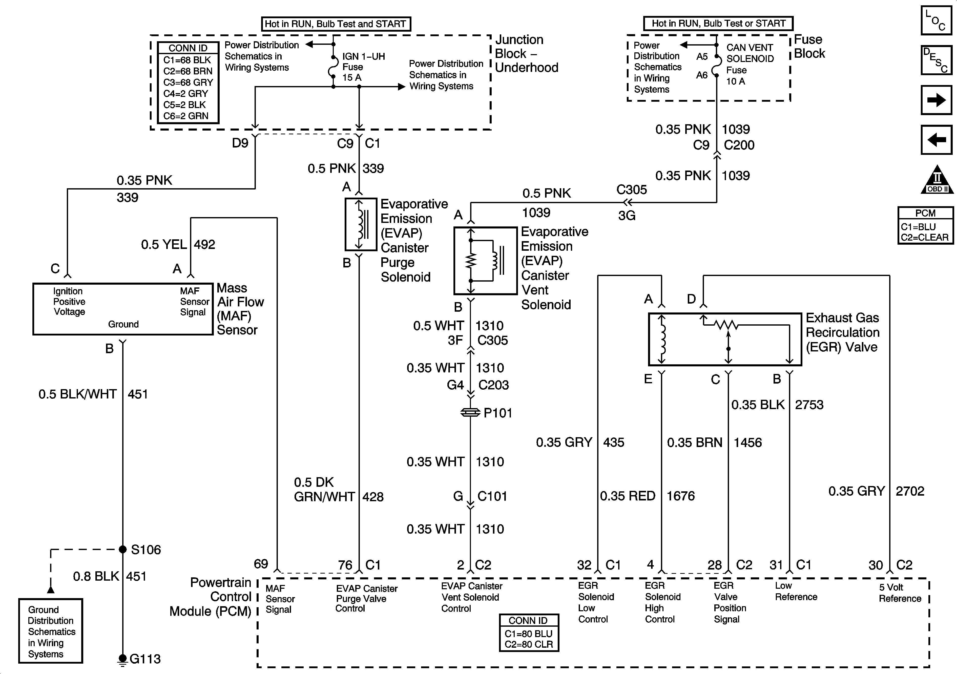
🢒 Engine Data Sensors, MAF, EVAP Switch, EVAP Valve, EGR
Engine Data Sensors, MAF, EVAP Switch, EVAP Valve, EGR
Engine Data Sensors, MAF, EVAP Switch, EVAP Valve, EGR
Junction Block - Underhood and IGN 1-U/H Fuse
Junction Block - Underhood and IGN 1-U/H Fuse
IGN MAIN 1, PCM/ABS, CAN VENT SOL, DRL and PCM/CRANK Fuses
G100, G111 and G113
Master Electrical Component List
Powertrain Control Module Description
Engine Data Sensors, HO2S1, HO2S2
Engine Data Sensors, A/C Refrig Press, TP, MAP, ECT, IAT
OBD II Symbol Description Notice
Powertrain Control Module Connector End Views