GM Service Manual Online
For 1990-2009 cars only
Makes
🢒
Chevrolet
🢒
2002
🢒
Venture Ext.
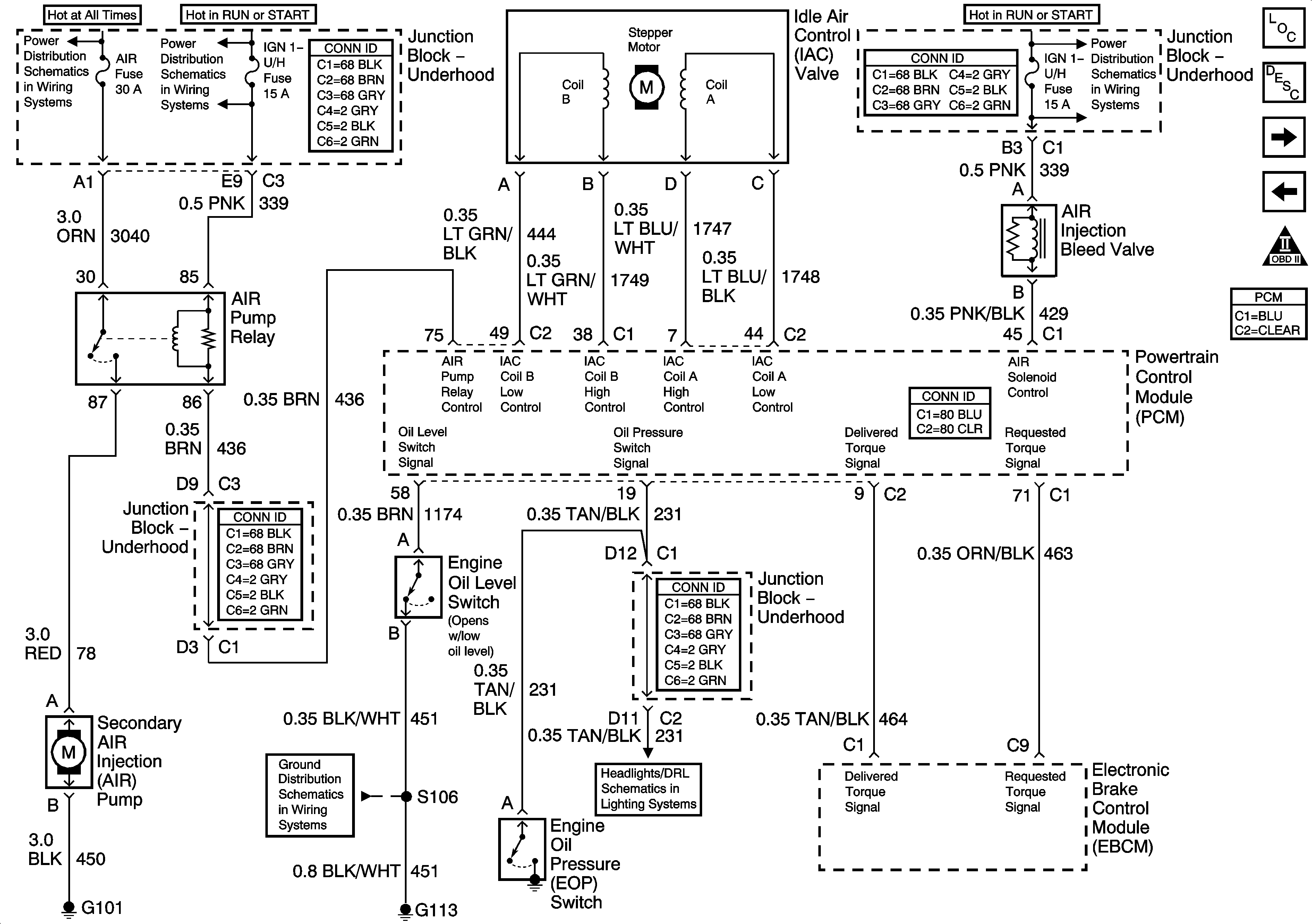
🢒 IAC Valve, EBTCM, Engine Oil Level Sensor
IAC Valve, EBTCM, Engine Oil Level Sensor
IAC Valve, EBTCM, Engine Oil Level Sensor
Junction Block - Underhood
Junction Block - Underhood and IGN 1-U/H Fuse
G100, G111 and G113
Junction Block - Underhood and IGN 1-U/H Fuse
Master Electrical Component List
Powertrain Control Module Description
A/C Compressor Controls
Engine Data Sensors, HO2S1, HO2S2
OBD II Symbol Description Notice
Powertrain Control Module Connector End Views