GM Service Manual Online
For 1990-2009 cars only
Makes
🢒
Chevrolet
🢒
2002
🢒
Venture Ext.
🢒 Seat Belt
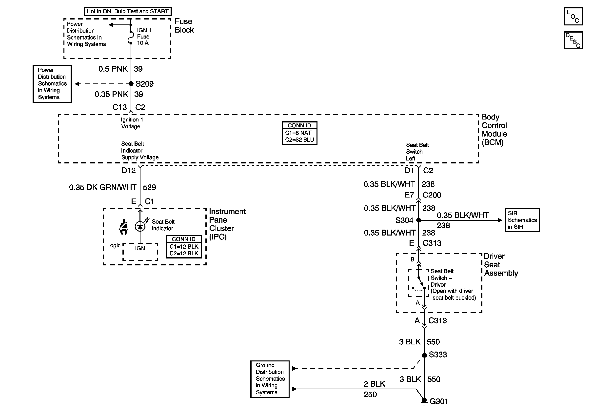
Seat Belt
Seat Belt
IGN 1, SDM, T/SIG, CRUISE and PCM PASS KEY/CLUSTER Fuses
IGN 1, SDM, T/SIG, CRUISE and PCM PASS KEY/CLUSTER Fuses
G210 and G301
Power, Ground, DLC, and SIR Lamp
Master Electrical Component List
Seat Belt System Description and Operation