GM Service Manual Online
For 1990-2009 cars only
Makes
🢒
Chevrolet
🢒
2002
🢒
Venture Ext.
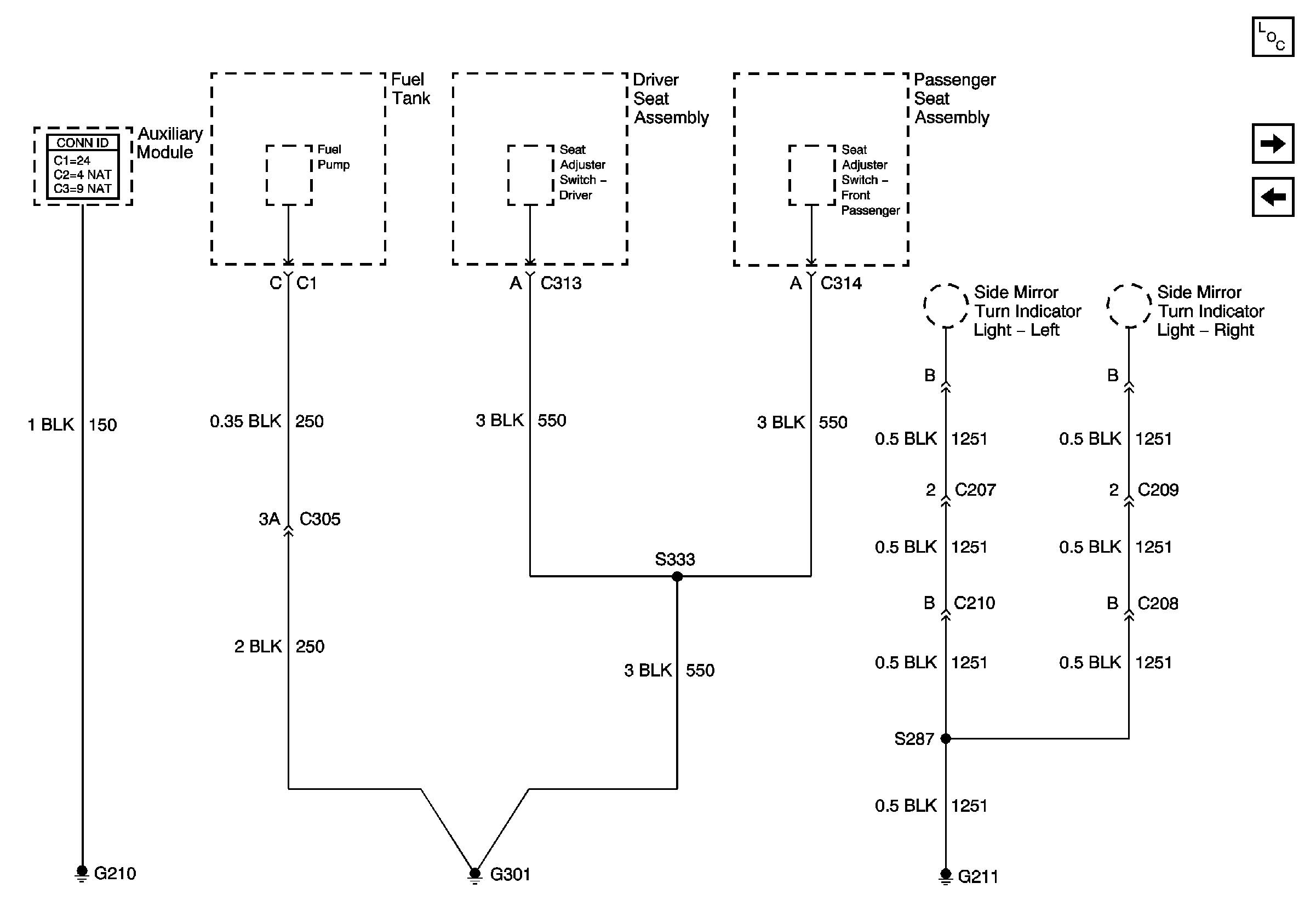
🢒 G210 and G301
G210 and G301
G210 and G301
Master Electrical Component List
G302 (1 of 2)
G201