GM Service Manual Online
For 1990-2009 cars only
Makes
🢒
Chevrolet
🢒
2002
🢒
Venture Ext.
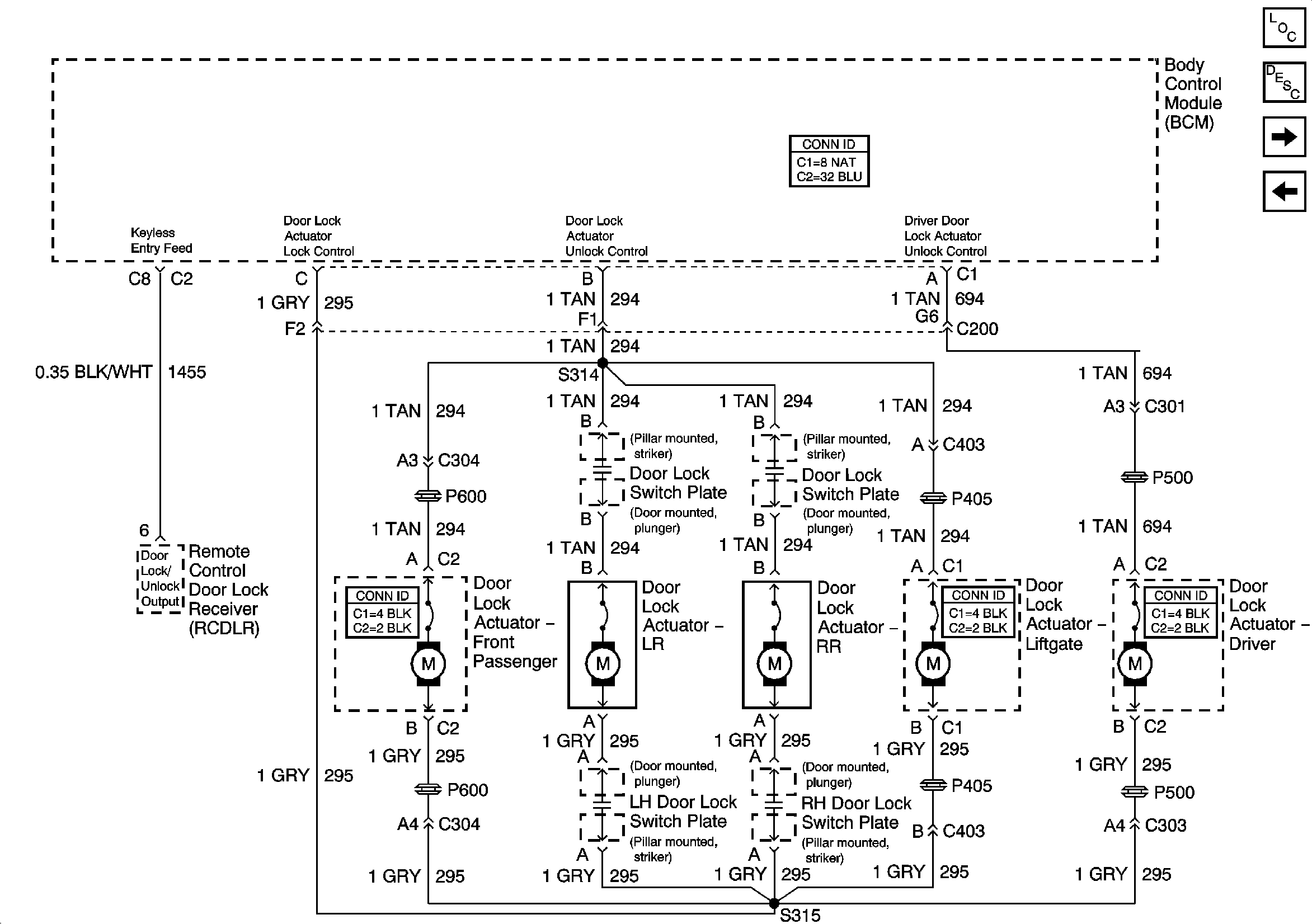
🢒 Door Lock Actuators
Door Lock Actuators
Door Lock Actuators
BATT MAIN 1, CLUSTER BATT, RR PWR SCKT, PWR LOCK, RAP RELAY, CTSY LAMP, CTSY LAMP, ONSTAR, CIGAR DLC/APO FRT, and PWR MIRROR Fuses
Master Electrical Component List
Power Door Locks Description and Operation
IP DOOR AJAR Telltale
Key Cylinder Switches