GM Service Manual Online
For 1990-2009 cars only
Makes
🢒
Chevrolet
🢒
2002
🢒
Venture Ext.
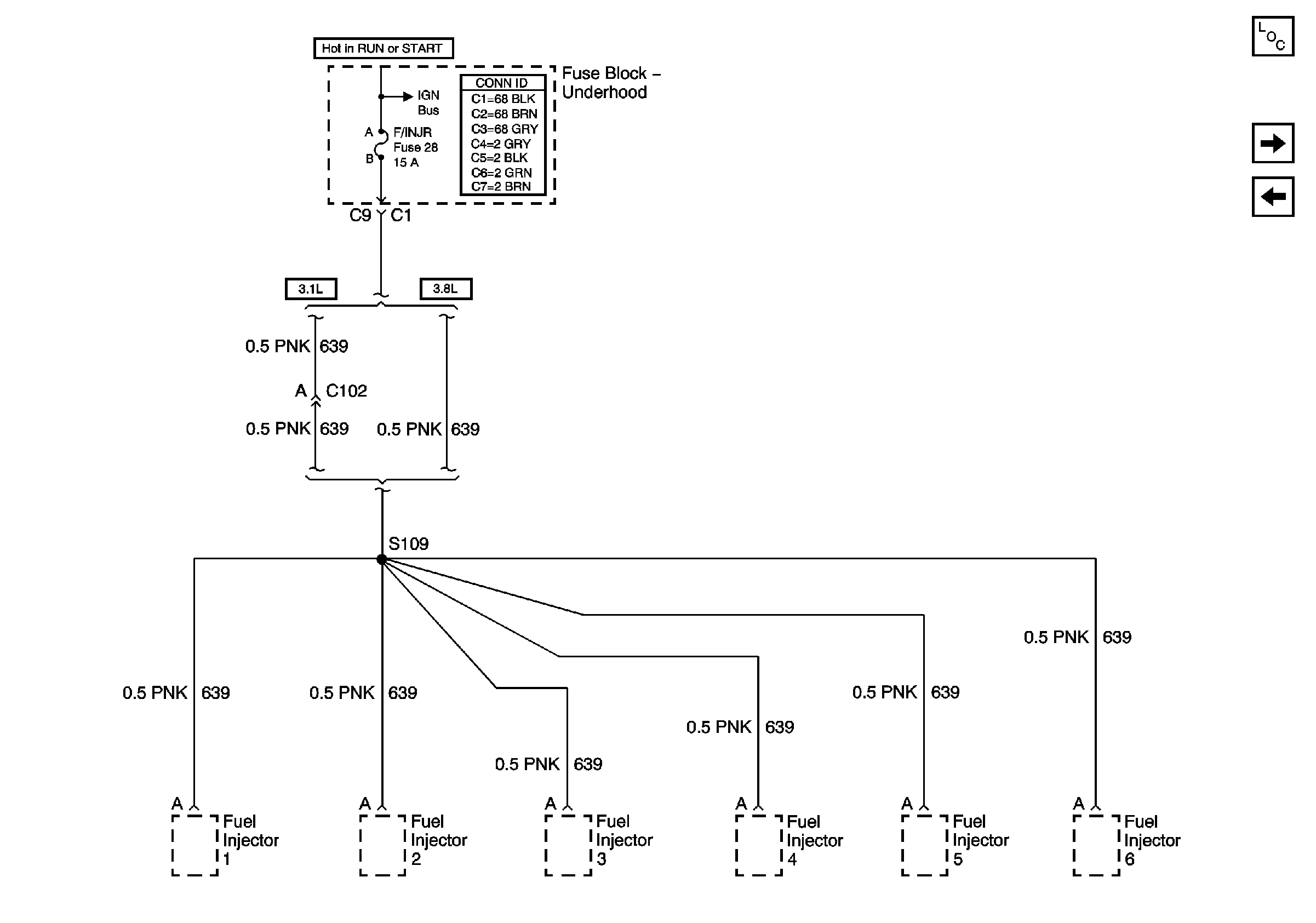
🢒 Fuel Injectors
Fuel Injectors
Fuel Injectors
Master Electrical Component List
ATX,ICM,O2
IGN 2
Power Bussing for Fuse Block-Underhood page 2 of 2