GM Service Manual Online
For 1990-2009 cars only
Makes
🢒
Chevrolet
🢒
2002
🢒
Venture Ext.
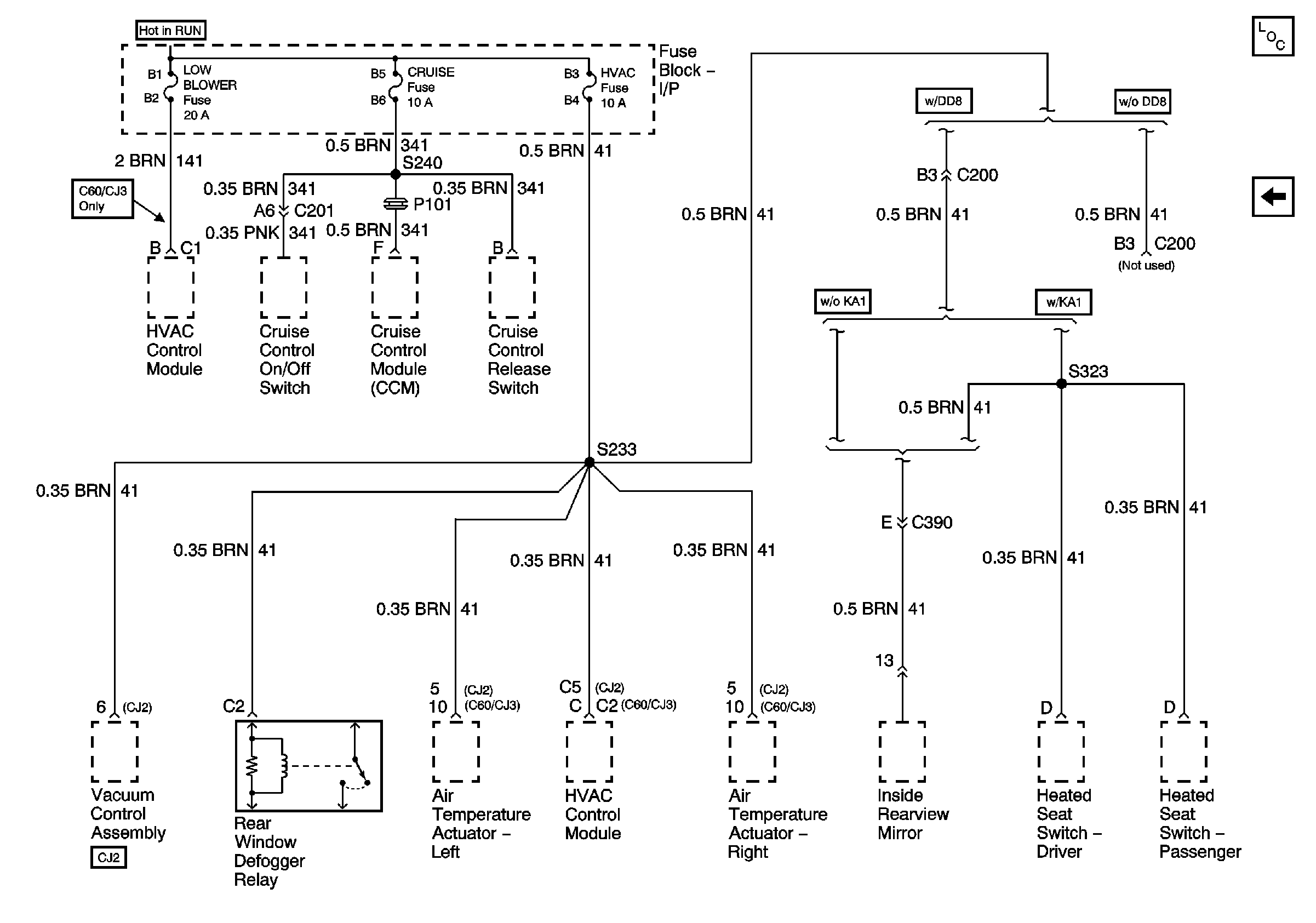
🢒 Blower, Cruise, HVAC
Blower, Cruise, HVAC
Blower,Cruise,HVAC
Master Electrical Component List
BCM, Power Drop, SW. Switchs